Japan
Contact
Search Bearing
Engineering Tools
Catalogs & Literature
Model query
Menu
About
CSR
PORTFOLIO
Engineered Bearings
MARKETS
INVESTORS
CAREERS
WORK THAT MATTERS
OUR CULTURE
BENEFITS
NEWS
Home
>
Model
>
Roller bearing
KRV16-PP Support type roller
Request Information
Return to list
VIEW CAD DRAWING
View structure diagram
DOWNLOADS
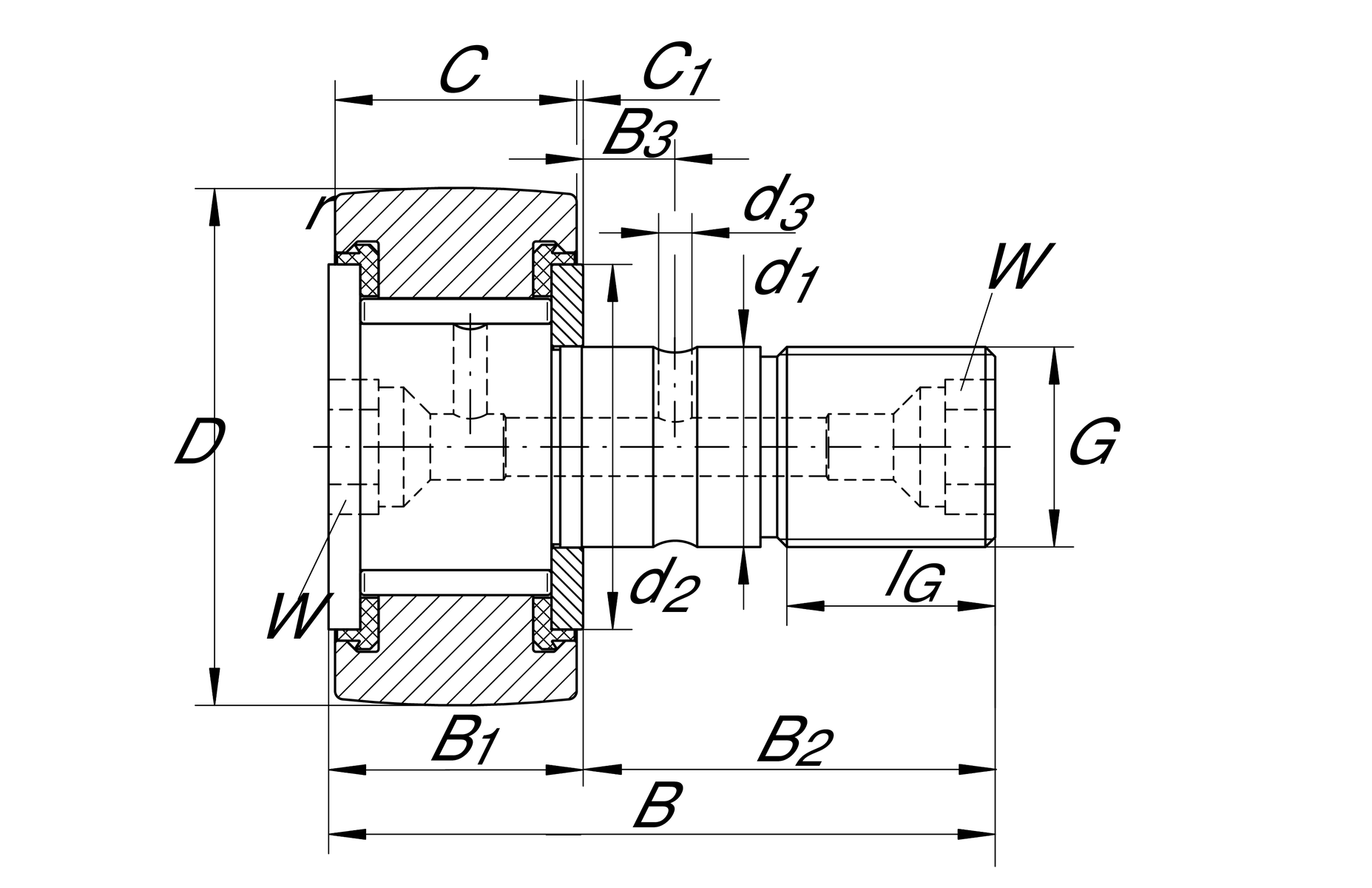
Main Dimensions & Performance Data
D
16 mm
B
28 mm
Cr
4900 N
Cor
6700 N
Cur
970 N
Reference speed
3800 rpm
Mounting dimensions
C
18 mm
Outer ring width
d2
27.6 mm
Outer diameter of thrust washer
rmin
0.6 mm
Minimum chamfer size
R
500 mm
Contour modification radius of outer ring outer surface