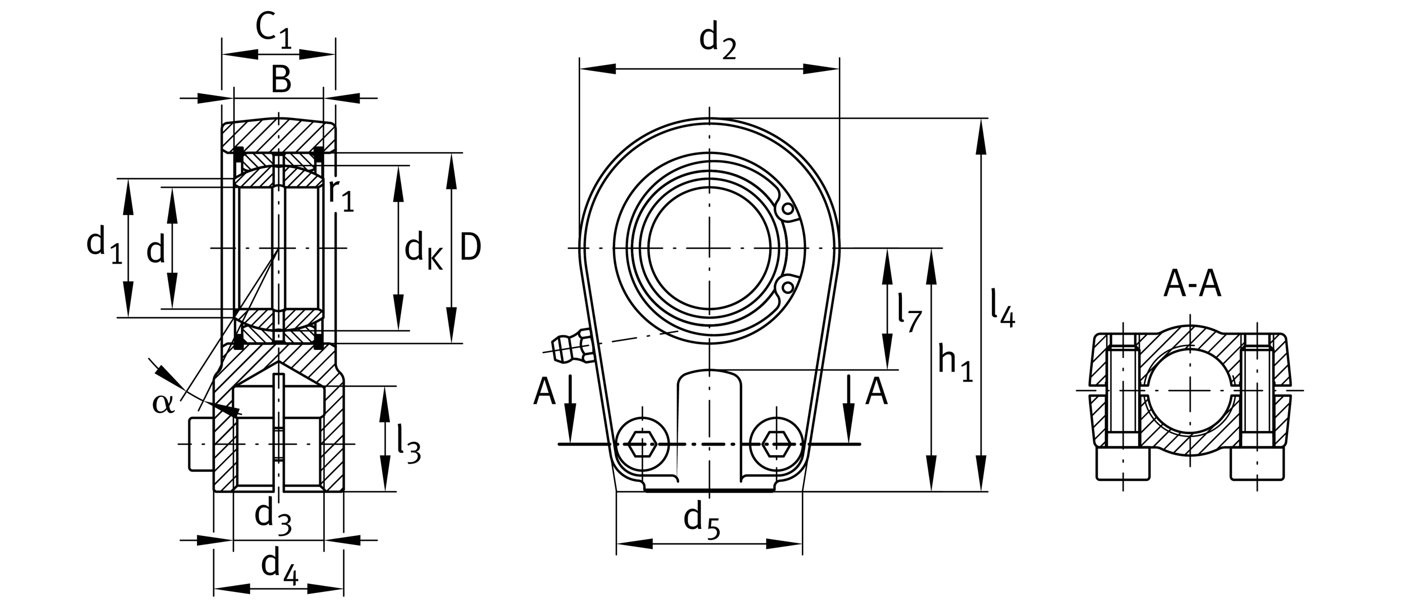
Main Dimensions & Performance Data

d

30 mm

D

47 mm

B

22 mm

Cr

62300 N

Cor

96800 N

Mounting dimensions

dK

40.7 mm Ball diameter

d1

34.2 mm Inner ring outer flange diameter

d2

64 mm Outer ring diameter

d3

M22x1,5 thread size

d4

32 mm Shank diameter

h1

60 mm Internal thread shank length

C1

28 mm Rod end width

α

6 ° inclination

l3

23 mm Internal thread length

l4

92 mm Overall length of female thread head

l7

30 mm Drilling distance with /axis start

d7

M8x25 mm weld Shank diameter

d5

46 mm Shank diameter,big

r 1smin

0.6 mm margin

Gr

0,037 - 0,1 mm Radial clearance

MA

32 Nm Tightening torque

dOT

0 mm Bearing inner diameter, upper deviation

dUT

-0.01 mm Bearing inner diameter, lower deviation

BOT

0 mm Inner ring width, upper deviation

BUT

-0.12 mm Inner ring width, lower deviation

Temperature range

T min

-60 °C Minimum operating temperature

T max

200 °C Maximum operating temperature