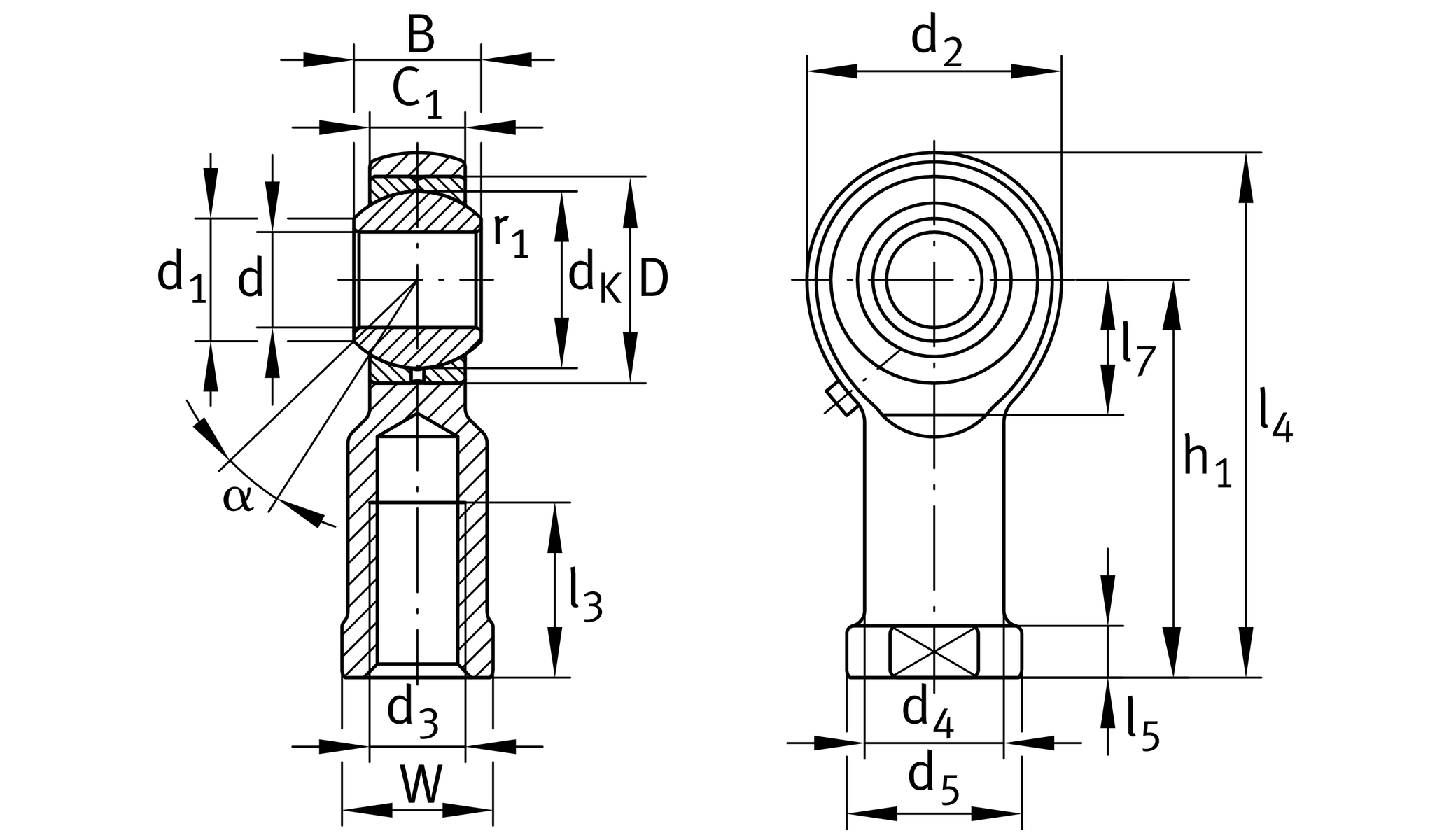
Main Dimensions & Performance Data

d

20 mm

D

40 mm

B

25 mm

Cr

31400 N

Cor

45600 N

Mounting dimensions

dK

34.925 mm Ball diameter

d1

24.3 mm Inner ring outer flange diameter

d2

50 mm Outer ring diameter

d3

M20x1,5 thread size

d4

27.5 mm Shank diameter

h1

77 mm Internal thread shank length

α

14 ° inclination

l3

33 mm Internal thread length

l4

102 mm Overall length of female thread head

l5

10 mm Rod end shank length

l7

26 mm Drilling distance with /axis start

d5

35 mm Shank diameter,big

C1

18 mm Rod end width

r1smin

0.3 mm margin

W

30 mm Opening width

dOT

0.021 mm Bearing inner diameter, upper deviation

d UT

0 mm Bearing inner diameter, lower deviation

dT

H7 mm Bearing bore diameter, tolerance

BOT

0 mm Inner ring width, upper deviation

BUT

-0.12 mm Inner ring width, lower deviation

Temperature range

T min

-50 °C Minimum operating temperature

T max

200 °C Maximum operating temperature