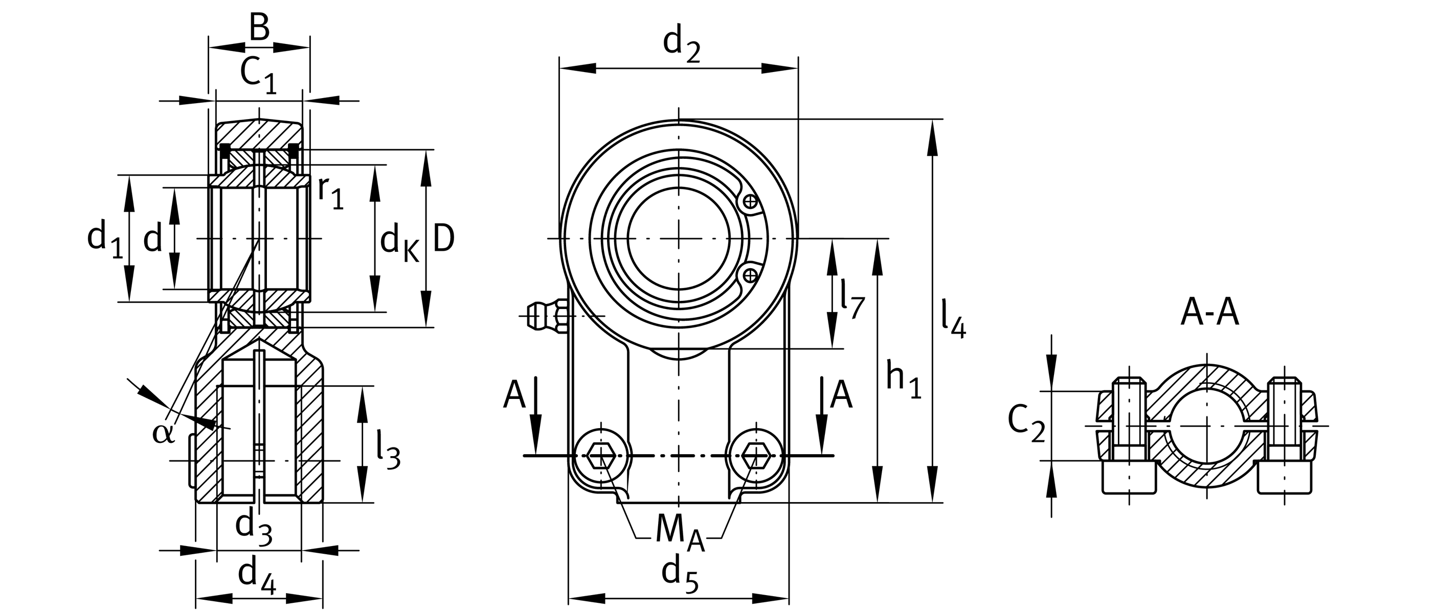
Main Dimensions & Performance Data

d

12 mm

D

22 mm

B

12 mm

Cr

10800 N

Cor

24000 N

Mounting dimensions

dK

18 mm Ball diameter

d1

15.5 mm Inner ring outer flange diameter

d2

32 mm Outer ring diameter

d3

M12x1,25 thread size

d4

16.5 mm Shank diameter

h1

38 mm Internal thread shank length

C1

10.6 mm Rod end width

α

4 ° inclination

l3

17 mm Internal thread length

l4

54 mm Overall length of female thread head

l7

14 mm Drilling distance with /axis start

d7

M5x12 mm weld Shank diameter

d5

32 mm Shank diameter,big

C2

10.6 mm width

r 1smin

0.3 mm margin

Gr

0,023 - 0,068 mm Radial clearance

FZ

8,000 N Cylinder force

MA

8 Nm Tightening torque

dOT

0.018 mm Bearing inner diameter, upper deviation

dT

H7 mm Bearing bore diameter, tolerance

dUT

0 mm Bearing inner diameter, lower deviation

BOT

0 mm Inner ring width, upper deviation

BUT

-0.18 mm Inner ring width, lower deviation

Temperature range

T min

-60 °C Minimum operating temperature

T max

200 °C Maximum operating temperature