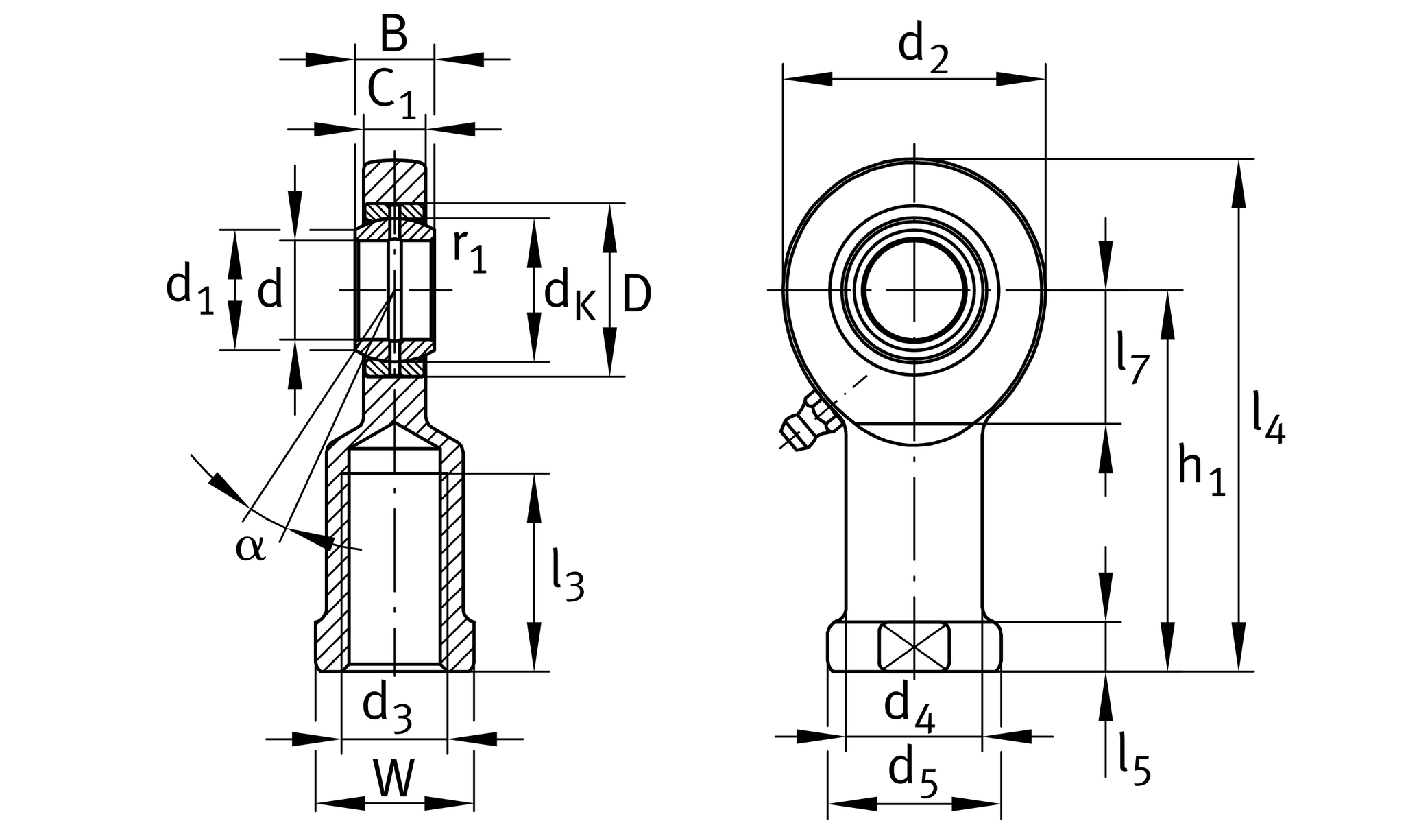
Main Dimensions & Performance Data

d

8 mm

D

16 mm

B

8 mm

Cr

5590 N

Cor

16000 N

Mounting dimensions

dK

13 mm Ball diameter

d1

10.2 mm Inner ring outer flange diameter

d2

24 mm Outer ring diameter

d3

M8 thread size

d4

12.5 mm Shank diameter

h1

36 mm Internal thread shank length

α

15 ° inclination

l3

15 mm Internal thread length

l4

48 mm Overall length of female thread head

l5

5 mm Rod end shank length

l7

14 mm Drilling distance with /axis start

d5

16 mm Shank diameter,big

C1

6 mm Rod end width

r1smin

0.3 mm margin

W

14 mm Opening width

dOT

0 mm Bearing inner diameter, upper deviation

d UT

-0.008 mm Bearing inner diameter, lower deviation

BOT

0 mm Inner ring width, upper deviation

BUT

-0.12 mm Inner ring width, lower deviation

Temperature range

T min

-50 °C Minimum operating temperature

T max

200 °C Maximum operating temperature