Main Dimensions & Performance Data

B

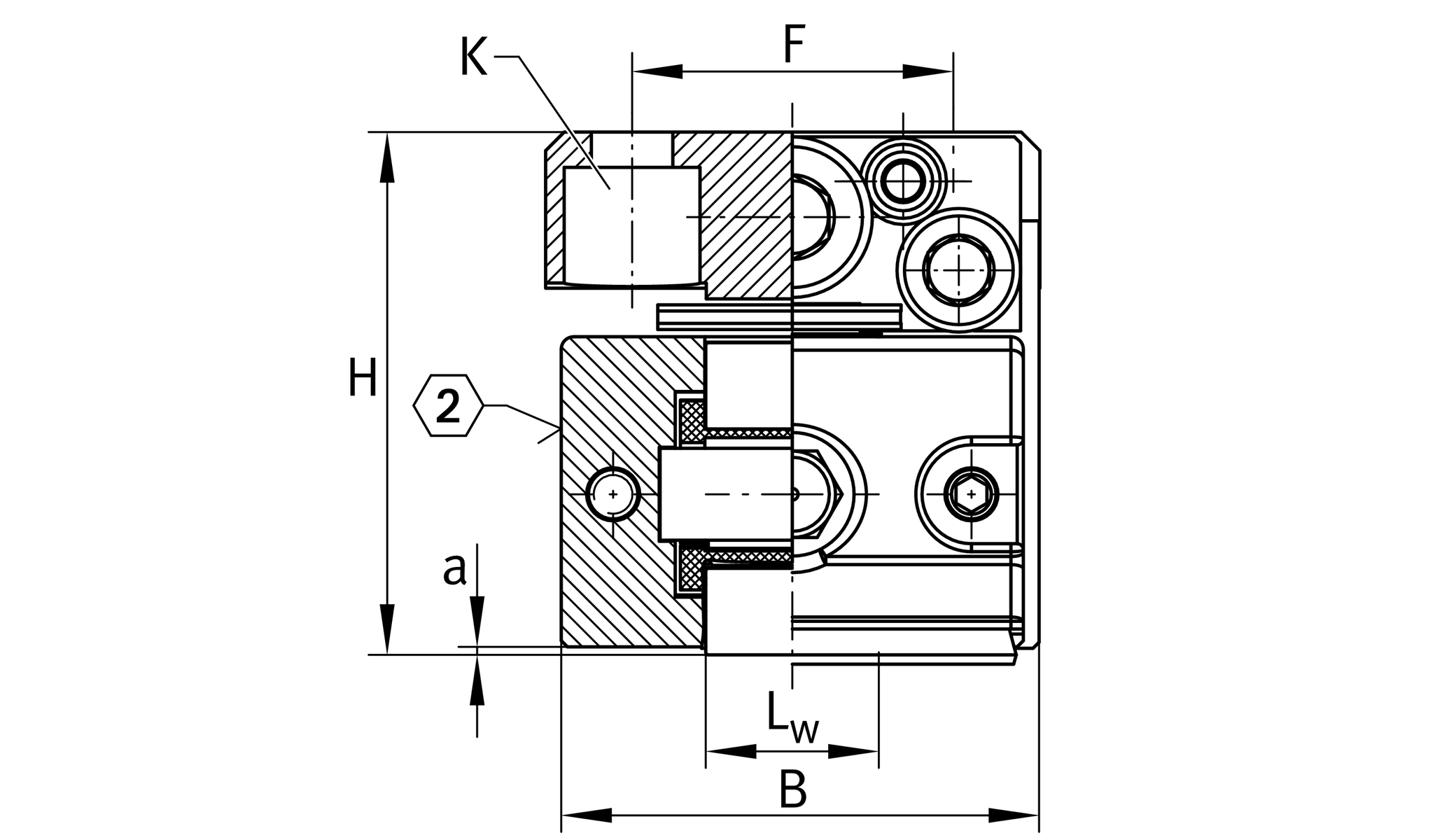
27 mm

H

30 mm

Cr

68000 N

Cor

123,00 N

Weight

0.53 g

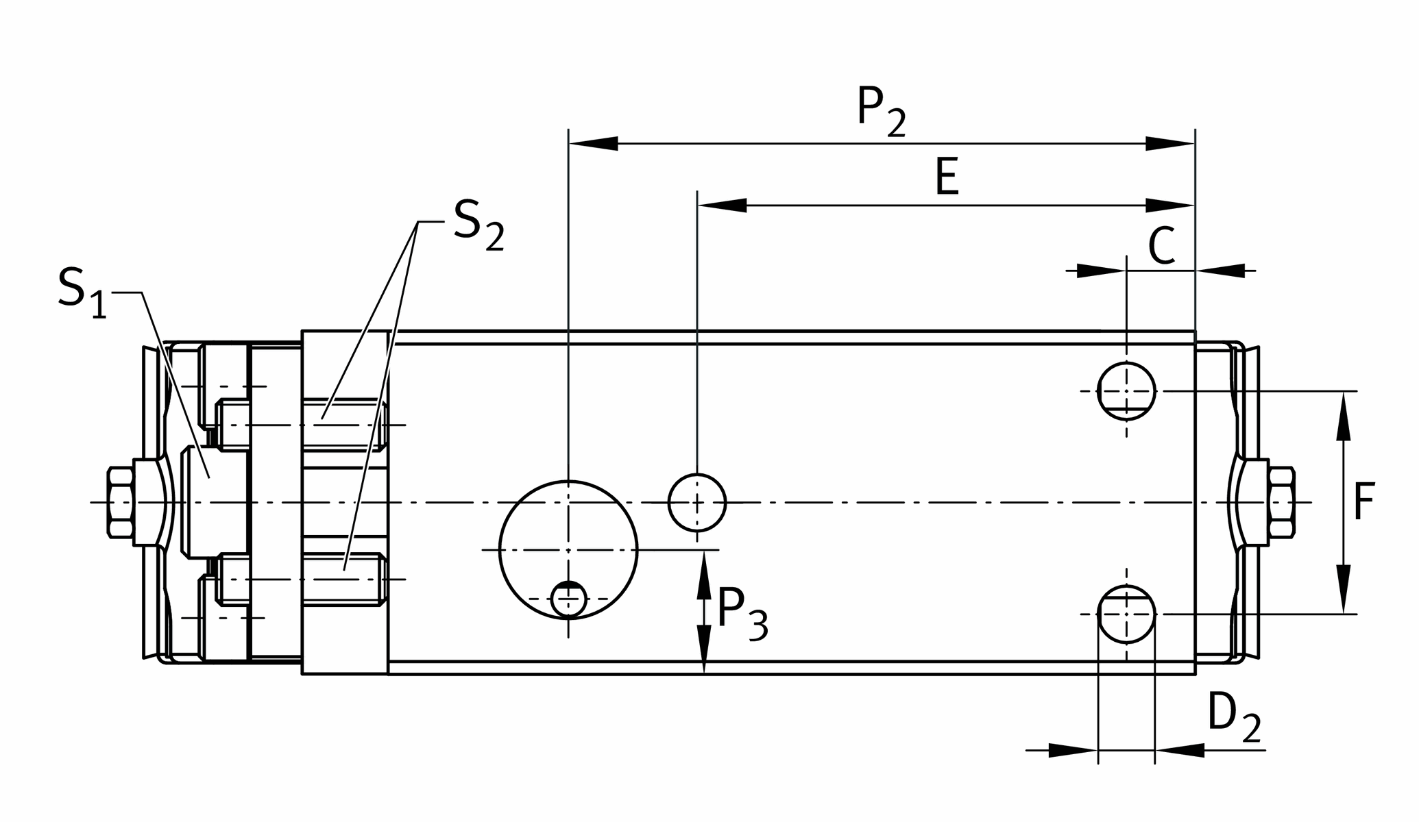
Mounting dimensions

L

105 mm

L1

111 mm

L3

78.5 mm

L4

79 mm

a

0.3 mm

LW

10 mm

C

5 mm

E

45 mm Mounting dimension

F

19 mm

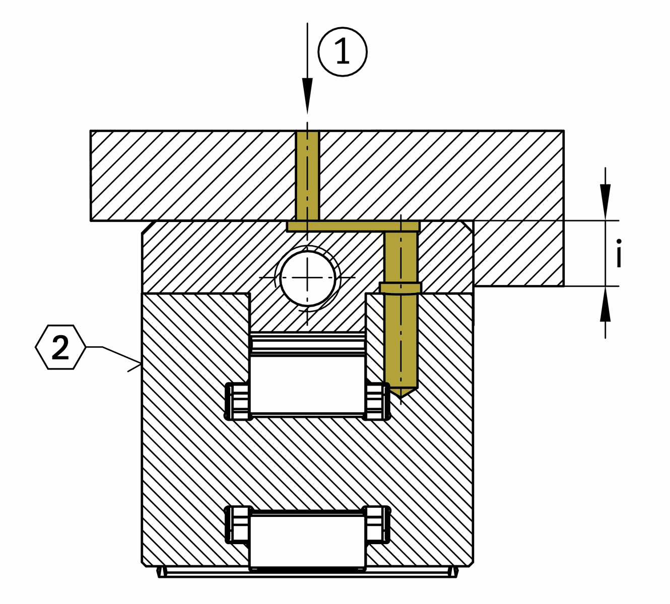
i

4 mm Mounting dimension

P1

21 mm

d1

12 mm

P2

53 mm

P3

9 mm

d

2.5 mm

K

M6 Lubrication connector DIN3405-A

S1

3 mm Hexagon socket adjusting screw

S2

2 mm Hexagon socket counter forcing screw

K

M4 Size thread k DIN

KMA

5 Nm Tightening torque fixing screws

D2

4.5 mm

A max

7 mm Screw stroke A

Delta hmax

0.37 mm Adjustment maximum

0.023 mm Adjustment screw revolution