Main Dimensions & Performance Data

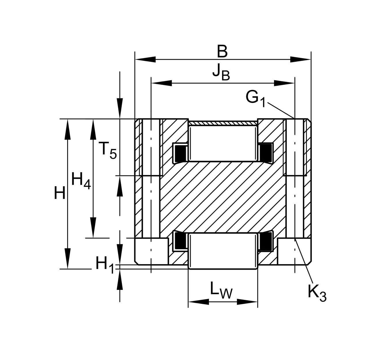
B

104 mm

H

85 mm

Cr

840000 N

Cor

620000 N

Weight

16 g

Mounting dimensions

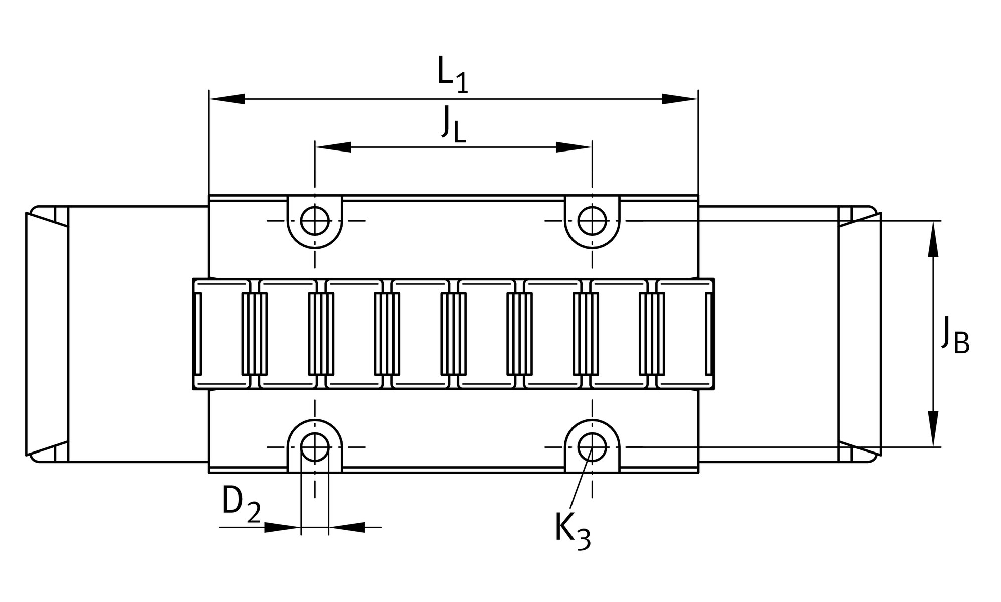
L1

184.6 mm Mounting dimension

JB

82.5 mm Mounting dimension

JL

101.5 mm Mounting dimension

H1

0.5 mm

LW

40 mm

A3

33 mm

H4

73.3 mm

T5

30.2 mm

G1

M14 fixing screws top (DIN ISO 4762-12.9)

G1MA

229 Nm Tightening torrque fixing screws

K3

M10 fixing screws below (DIN ISO 4762-12.9)

K3MAmax

83 Nm Tightening torque fixing screws

D2

11.8 mm

LS

303 mm

A4

45 mm

M8x1 Lubrication connection DIN3405-A

6 mm