Main Dimensions & Performance Data

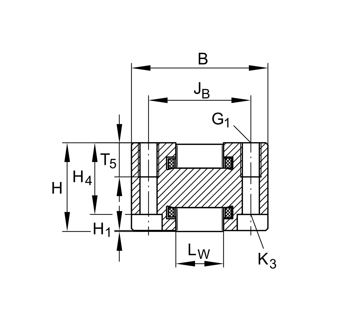
B

40 mm

H

26 mm

Cr

76000 N

Cor

56000 N

Weight

0.5 g

Mounting dimensions

L1

52.8 mm Mounting dimension

JB

30 mm Mounting dimension

JL

28 mm Mounting dimension

H1

0.2 mm

L4

63 mm minimum support length

LW

14 mm

H4

21 mm

T5

10.2 mm

G1

M6 fixing screws top (DIN ISO 4762-12.9)

G1MA

17 Nm Tightening torrque fixing screws

K3

M4 fixing screws below (DIN ISO 4762-12.9)

K3MA max

5 Nm Tightening torque fixing screws

D2

4.9 mm

6 mm