Main Dimensions & Performance Data

B

27 mm

H

19 mm

Cr

68000 N

Cor

61000 N

Weight

0.323 g

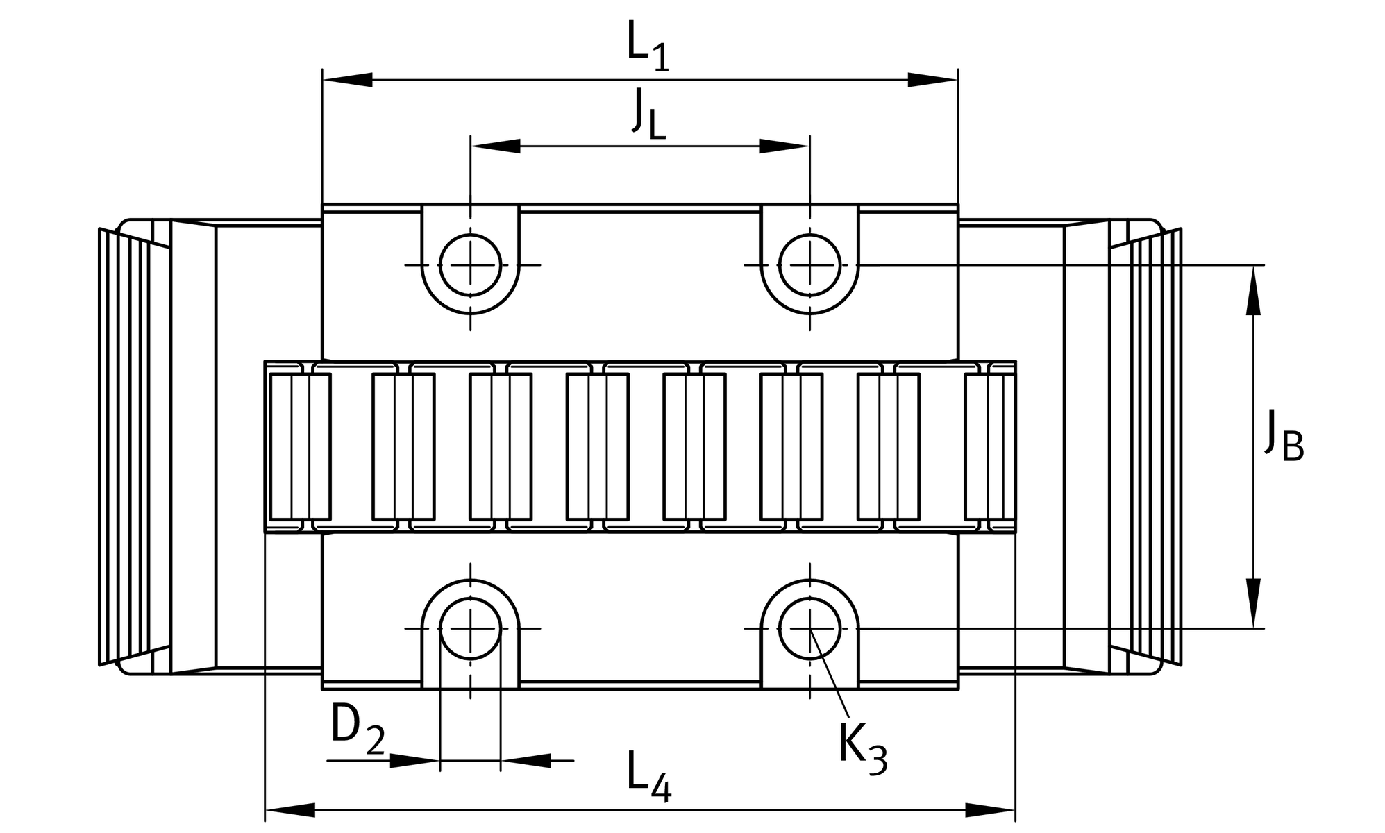
Mounting dimensions

L1

79 mm Mounting dimension

JB

20.6 mm Mounting dimension

JL

50 mm Mounting dimension

H1

0.2 mm

L4

85 mm minimum support length

LW

10 mm

H4

15.2 mm

T5

6.2 mm

G1

M4 fixing screws top (DIN ISO 4762-12.9)

G1MA

5 Nm Tightening torrque fixing screws

K3

M3 fixing screws below (DIN ISO 4762-12.9)

K3MA max

1.8 Nm Tightening torque fixing screws

D2

3.5 mm

LS

111.5 mm

A4

9.8 mm

M6 Lubrication connection DIN3405-A

6 mm