Main Dimensions & Performance Data

B

86 mm

L

140.6 mm

H

70 mm

Cr

69000 N

Cor

141000 N

Weight

3.36 g

Mounting dimensions

VMKB_065

KWVE Material name

A1

20.5 mm

JB

60 mm

b

45 mm width rail

A2

13 mm

L1

102.5 mm

LS

2.2 mm

JL

60 mm

H1

9.7 mm

H5

9.25 mm

T5

17 mm

G2

M10 fixing screws below (DIN ISO 4762-12.9)

G2MA

83 Nm maximum tightening torque

A3

26.5 mm position lubrication connector

G3

M6 lubrication connector

tG3

7 mm maximum permissible screw depth for lubrication connectors

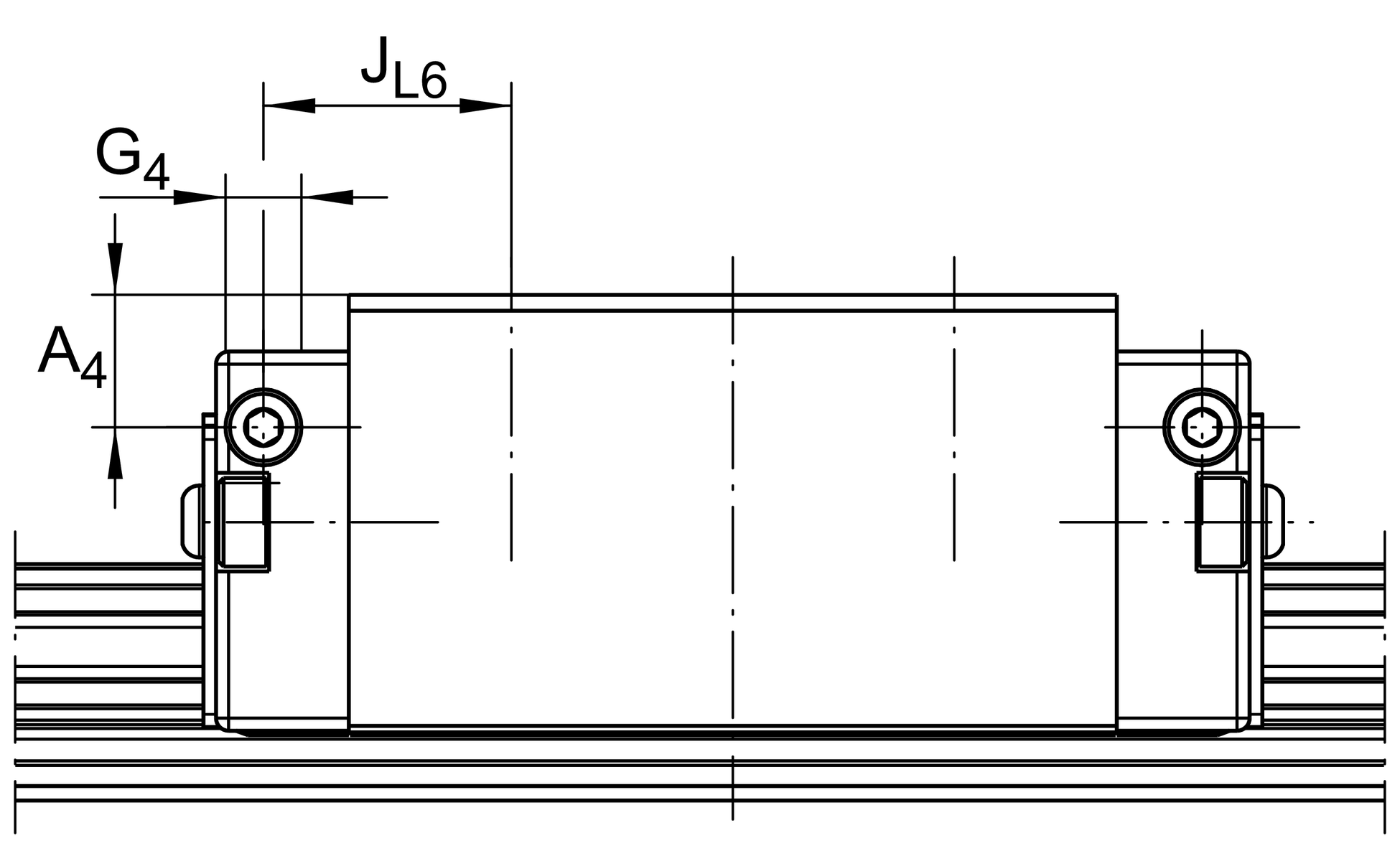
A4

26.5 mm position lubrication connector

G4

M6 mm lubrication connector

tG4

7 mm maximum permissible screw depth for lubrication connectors

JL6

29.3 mm position lubrication connector