Main Dimensions & Performance Data

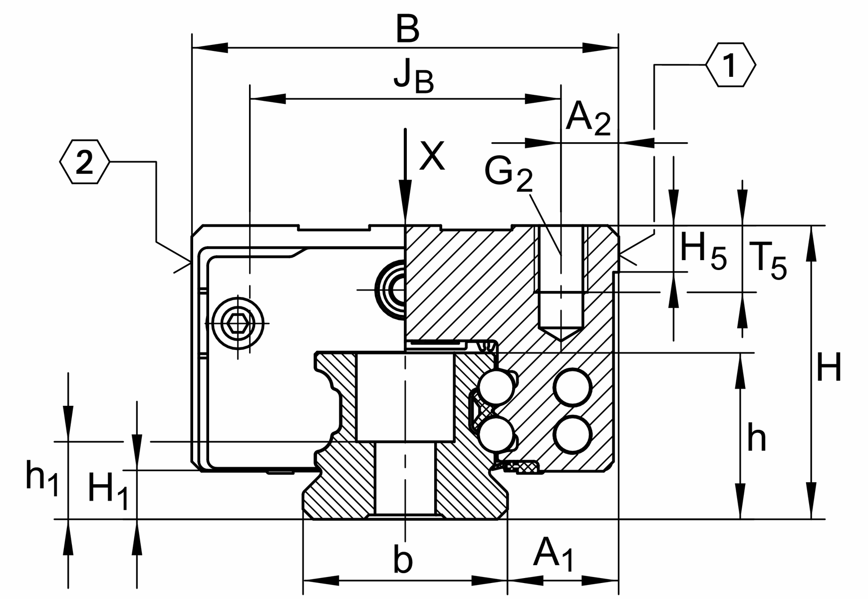
B

86 mm

L

97.8 mm

H

60 mm

Cr

46500 N

Cor

80000 N

Weight

1.8 g

Mounting dimensions

VMKB_065

KWVE Material name

A1

20.5 mm

JB

60 mm

b

45 mm width rail

A2

13 mm

L1

59.7 mm

LS

2.2 mm

H1

9.7 mm

H5

9.25 mm

T5

17 mm

G2

M10 fixing screws below (DIN ISO 4762-12.9)

G2MA

83 Nm maximum tightening torque

A3

16.5 mm position lubrication connector

G3

M6 lubrication connector

tG3

7 mm maximum permissible screw depth for lubrication connectors

A4

16.5 mm position lubrication connector

G4

M6 mm lubrication connector

tG4

7 mm maximum permissible screw depth for lubrication connectors

JL6

37.9 mm position lubrication connector