Main Dimensions & Performance Data

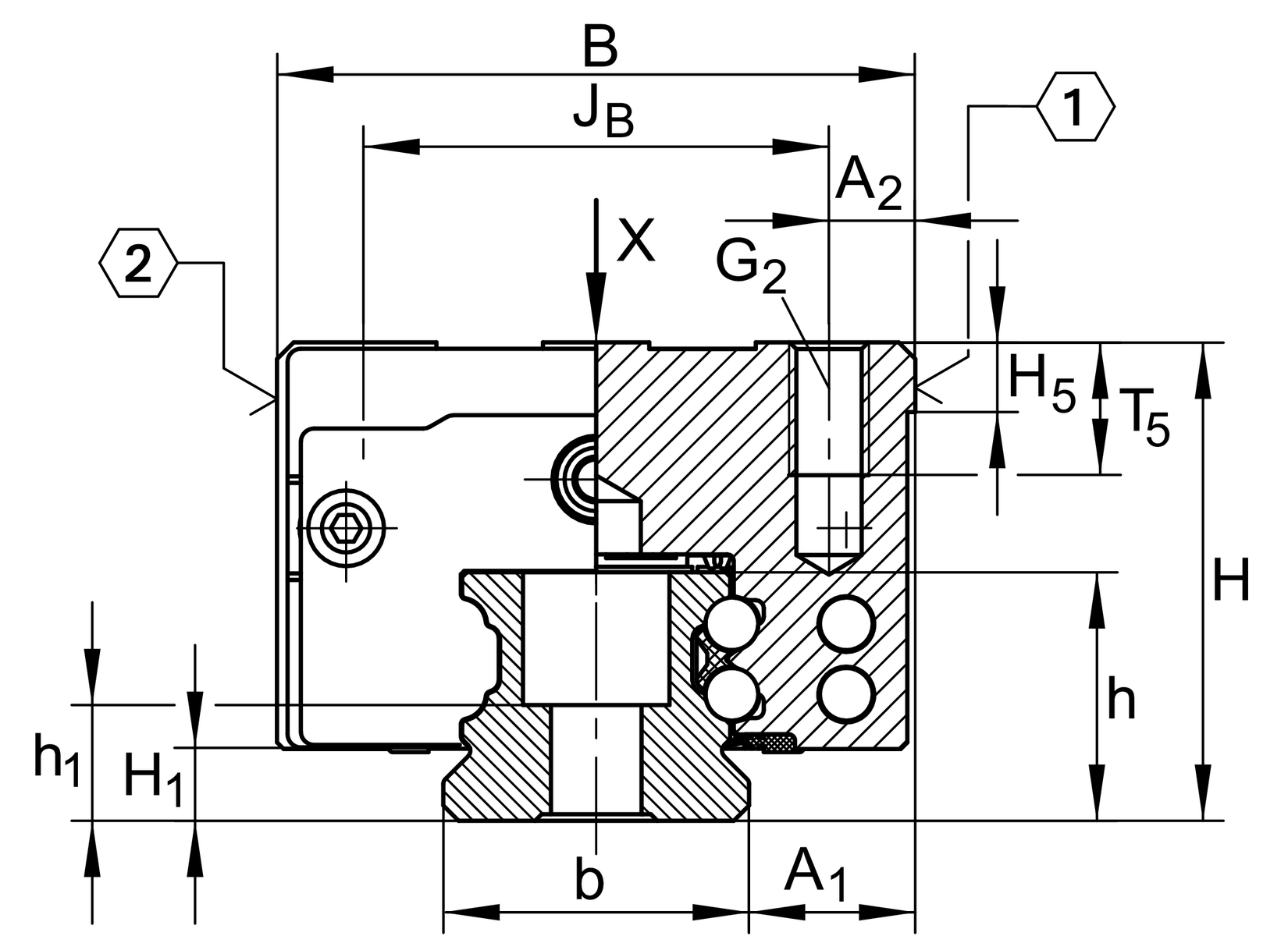
B

70 mm

L

145 mm

H

48 mm

Cr

47500 N

Cor

100000 N

Weight

1.81 g

Mounting dimensions

VMKB_065

KWVE Material name

A1

18 mm

JB

50 mm

b

34 mm width rail

A2

10 mm

L1

113 mm

LS

1.65 mm

JL

72 mm

H1

6.7 mm

H5

6.75 mm

T5

13.5 mm

G2

M8 fixing screws below (DIN ISO 4762-12.9)

G2MA

41 Nm maximum tightening torque

A3

12.3 mm position lubrication connector

G3

M6 lubrication connector

tG3

7 mm maximum permissible screw depth for lubrication connectors

A4

11 mm position lubrication connector

G4

M6 mm lubrication connector

tG4

7 mm maximum permissible screw depth for lubrication connectors

JL6

27.5 mm position lubrication connector