Main Dimensions & Performance Data

B

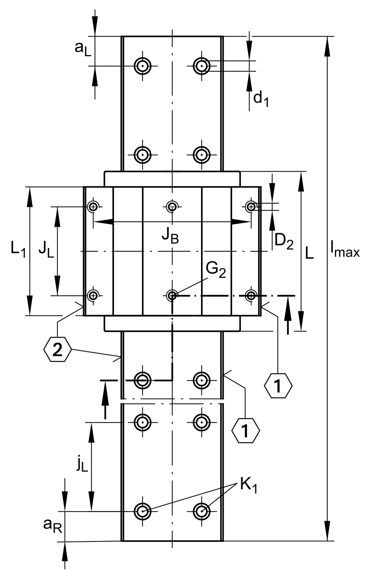
142 mm

L

97.5 mm

H

42 mm

Cr

27500 N

Cor

55000 N

Weight

1.95 g

Mounting dimensions

VMKB_065

KWVE Material name

A1

31 mm

JB

124 mm

b

80 mm width rail

A2

9 mm

L1

72 mm

JL

52 mm

H1

6 mm

H4

13.8 mm

H5

6 mm

T5

12 mm

T6

12 mm

G2

M10 fixing screws below (DIN ISO 4762-12.9)

G2MA

41 Nm maximum tightening torque

K3

M8 fixing screws below (DIN ISO 4762-12.9)

K3MA

41 Nm maximum tightening torque

K6

M8 fixing screws below (DIN 7984-8.8)

K6MA

12 Nm maximum tightening torque

D2

8.6 mm

A3

11.25 mm position lubrication connector

G3

M6 lubrication connector

tG3

6 mm maximum permissible screw depth for lubrication connectors