Main Dimensions & Performance Data

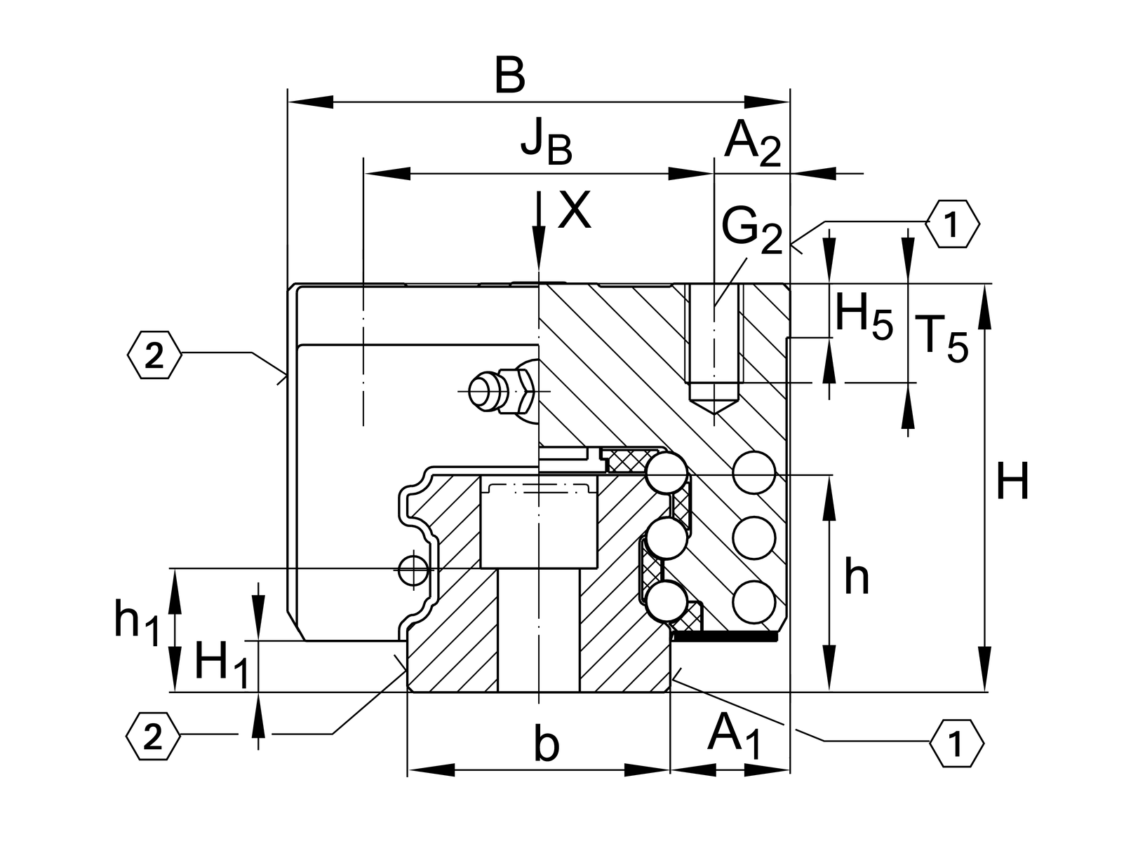
B

44 mm

L

91.9 mm

H

30 mm

Cr

28000 N

Cor

72000 N

Weight

0.44 g

Mounting dimensions

A1

12 mm

JB

32 mm

b

20 mm width rail

A2

6 mm

L1

72.9 mm

JL

50 mm

H1

4.6 mm

H5

5 mm

T5

6 mm

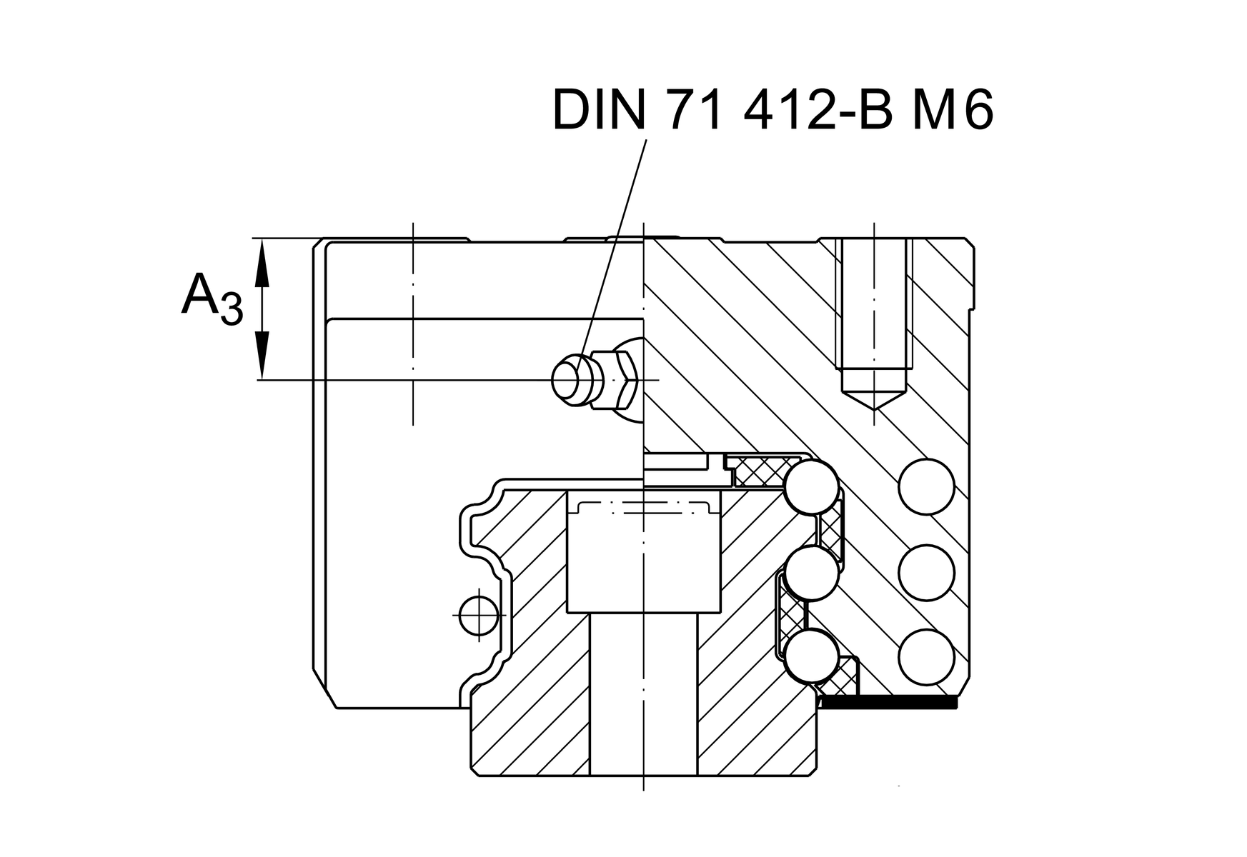
G2

M5 fixing screws below (DIN ISO 4762-12.9)

G2MA

10 Nm maximum tightening torque

N2

3 mm max. diameter of lubrication hole in adjacent construction

JL5

15.19 mm position lubrication connector

A3

5.8 mm position lubrication connector

tA3

7 mm maximum permissible screw depth for lubrication connectors

O

3x1,5 mm O-Ring DIN 3771

M0X

730 Nm Moment

M0Y

640 Nm Moment

M0Z

570 Nm Moment