Japan
Contact
Search Bearing
Engineering Tools
Catalogs & Literature
Model query
Menu
About
CSR
PORTFOLIO
Engineered Bearings
MARKETS
INVESTORS
CAREERS
WORK THAT MATTERS
OUR CULTURE
BENEFITS
NEWS
Home
>
Model
>
Rail slider
TSX65-E-ADB Modified track
Request Information
Return to list
VIEW CAD DRAWING
View structure diagram
View structure diagram
DOWNLOADS
Main Dimensions & Performance Data
B
63 mm
Tol B
-0.005
H
53.8 mm
Weight
19.5 g
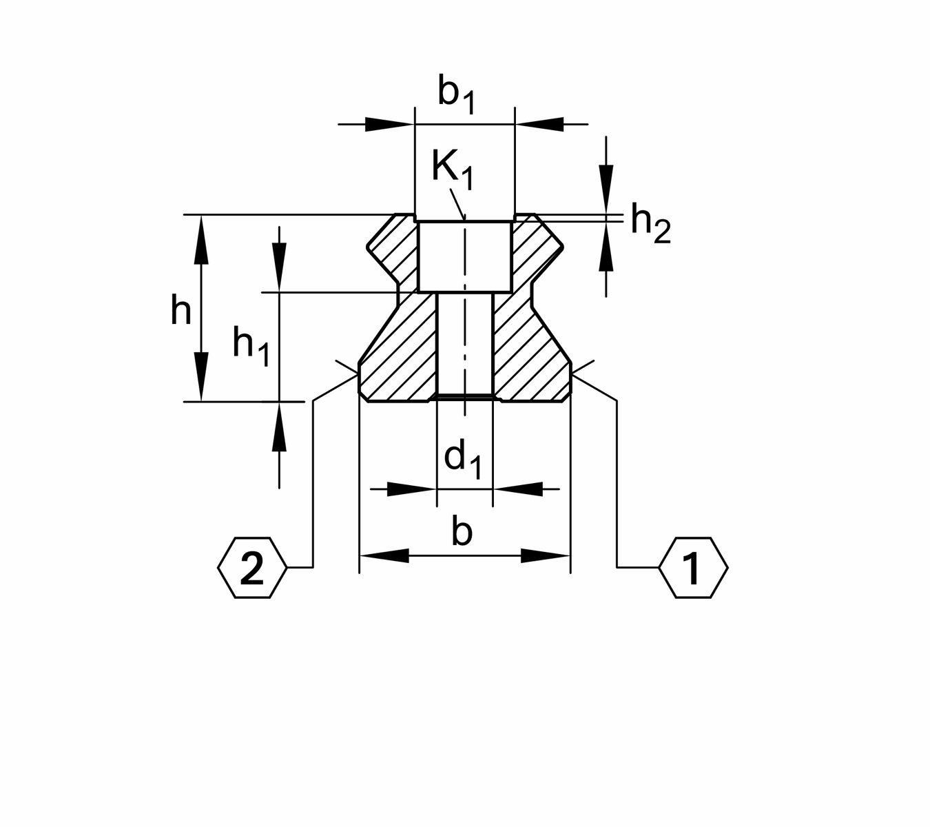
Mounting dimensions
K1
M16
Fixing screws (DIN ISO 4762-12.9)
d1
18 mm
bore diameter
K1MA
340 Nm
Tightening torque