Japan
Contact
Search Bearing
Engineering Tools
Catalogs & Literature
Model query
Menu
About
CSR
PORTFOLIO
Engineered Bearings
MARKETS
INVESTORS
CAREERS
WORK THAT MATTERS
OUR CULTURE
BENEFITS
NEWS
Home
>
Model
>
Rail slider
TKVD14 Modified track
Request Information
Return to list
VIEW CAD DRAWING
View structure diagram
View structure diagram
DOWNLOADS
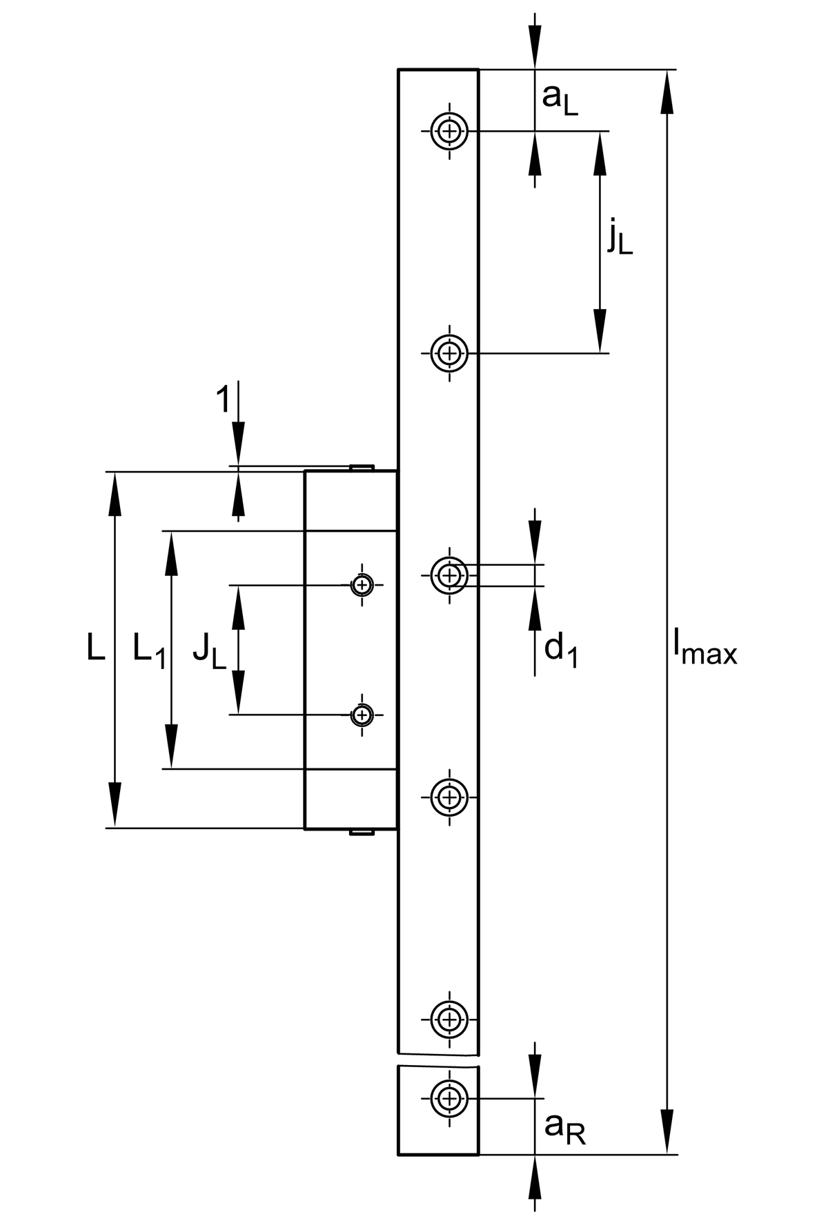
Main Dimensions & Performance Data
B
13.5 mm
H
14 mm
Weight
1.45 g
Mounting dimensions
K1
M3
Thread
K1MA
2.5 Nm
Tightening torque
d1
3.8 mm
Bore diameter