Japan
Contact
Search Bearing
Engineering Tools
Catalogs & Literature
Model query
Menu
About
CSR
PORTFOLIO
Engineered Bearings
MARKETS
INVESTORS
CAREERS
WORK THAT MATTERS
OUR CULTURE
BENEFITS
NEWS
Home
>
Model
>
Rail slider
TKSD35-ADE Modified track
Request Information
Return to list
VIEW CAD DRAWING
View structure diagram
View structure diagram
DOWNLOADS
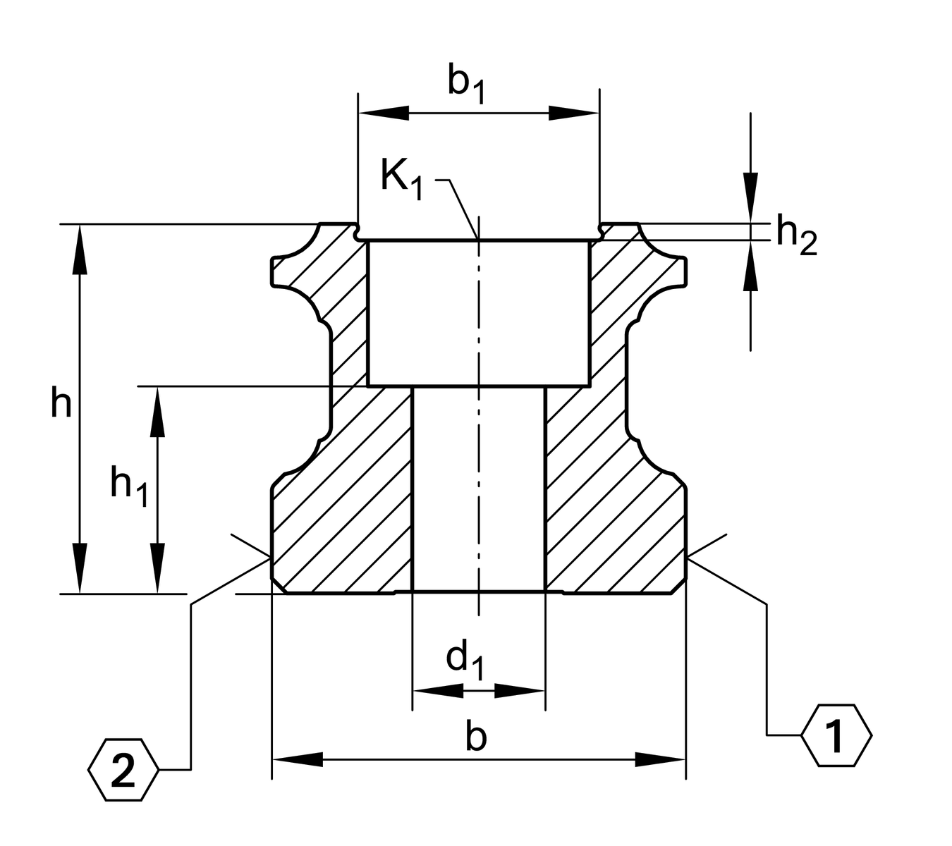
Main Dimensions & Performance Data
B
34 mm
Tol B
-0.005
H
29.7 mm
Weight
6.5 g
Mounting dimensions
K1
M8
Fixing screws (DIN ISO 4762-12.9)
K1MA
41 Nm
Tightening torque
d1
9 mm
bore diameter