Japan
Contact
Search Bearing
Engineering Tools
Catalogs & Literature
Model query
Menu
About
CSR
PORTFOLIO
Engineered Bearings
MARKETS
INVESTORS
CAREERS
WORK THAT MATTERS
OUR CULTURE
BENEFITS
NEWS
Home
>
Model
>
Rail slider
UG9741 Guide rail for four raceways
Request Information
Return to list
VIEW CAD DRAWING
View structure diagram
View structure diagram
View structure diagram
DOWNLOADS
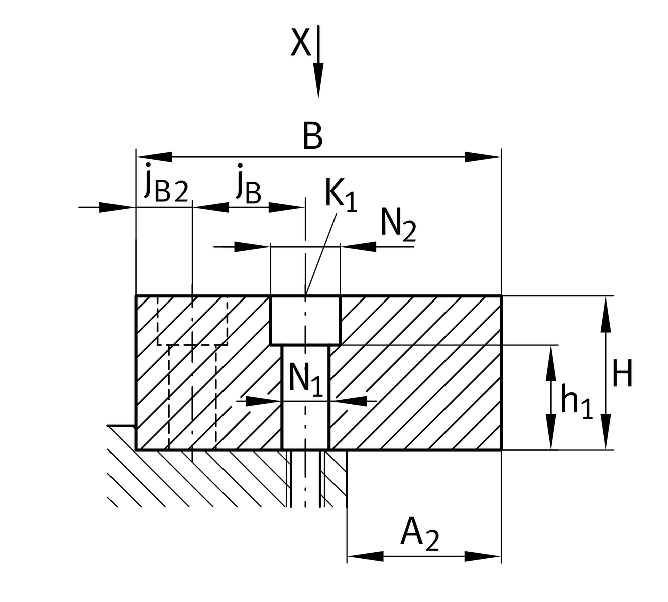
Main Dimensions & Performance Data
B
97 mm
Tol B
-0,1
L Max
3000 mm
H
41 mm
Tol H
-0,1
Mounting dimensions
jB
30 mm
Mounting Dimension
jB2
15 mm
jL
40 mm
aRmin
15 mm
2
aRmax
35 mm
2
aLmin
15 mm
2
a
35 mm
2
h1
27.5 mm
A2max
41 mm
N2
18.5 mm
K1
M10
fixing srews (DIN ISO 4762-12.9)
K1MA
83 Nm
torques fixing screws³
d1
12.5 mm
bore diameter