Japan
Contact
Search Bearing
Engineering Tools
Catalogs & Literature
Model query
Menu
About
CSR
PORTFOLIO
Engineered Bearings
MARKETS
INVESTORS
CAREERS
WORK THAT MATTERS
OUR CULTURE
BENEFITS
NEWS
Home
>
Model
>
Rail slider
RUE35-F-H Roller monorail guidance system
Request Information
Return to list
VIEW CAD DRAWING
View structure diagram
View structure diagram
View structure diagram
DOWNLOADS
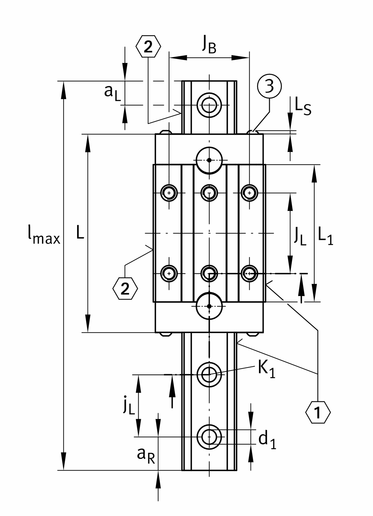
Main Dimensions & Performance Data
Mounting dimensions
A1
18 mm
JB
50 mm
b
34 mm
width rail
Tolb
-0.005 mm
Upper tolerance
Tolb
-0.035 mm
Lower tolerance
A2
10 mm
L1
85.2 mm
JL
50 mm
jL
40 mm
aLmin
20 mm
1
aLmax
31 mm
1
aRmin
20 mm
Distance 1
aRmax
31 mm
1
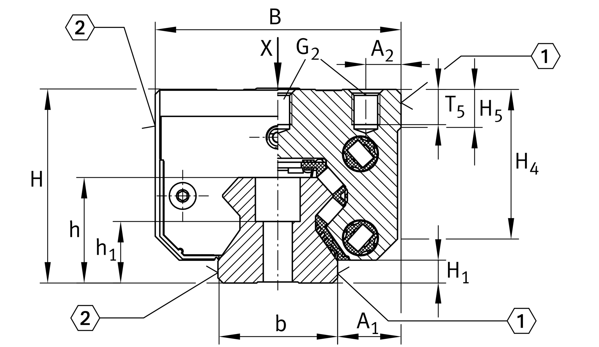
H1
6.5 mm
H4
41.9 mm
H5
10.8 mm
T5
10 mm
h
30 mm
h1
17.5 mm
Tolh1
0.5 mm
Upper tolerance
Tolh1
-0.5 mm
Lower tolerance
G2
M8
G2MA
41 Nm
maximum tightening torque²
K1
M8
K1MA
41 Nm
maximum tightening torque
d1
8.6 mm
N2max
6 mm
3
JL5
20.3 mm
4
A3
13.6 mm
GS
M4x4
O
10x1,5
O-Ring DIN 3771
≈m
0
kg text.product.weight