Japan
Contact
Search Bearing
Engineering Tools
Catalogs & Literature
Model query
Menu
About
CSR
PORTFOLIO
Engineered Bearings
MARKETS
INVESTORS
CAREERS
WORK THAT MATTERS
OUR CULTURE
BENEFITS
NEWS
Home
>
Model
>
Rail slider
RUE25-E-H Roller monorail guidance system
Request Information
Return to list
VIEW CAD DRAWING
View structure diagram
View structure diagram
View structure diagram
DOWNLOADS
Main Dimensions & Performance Data
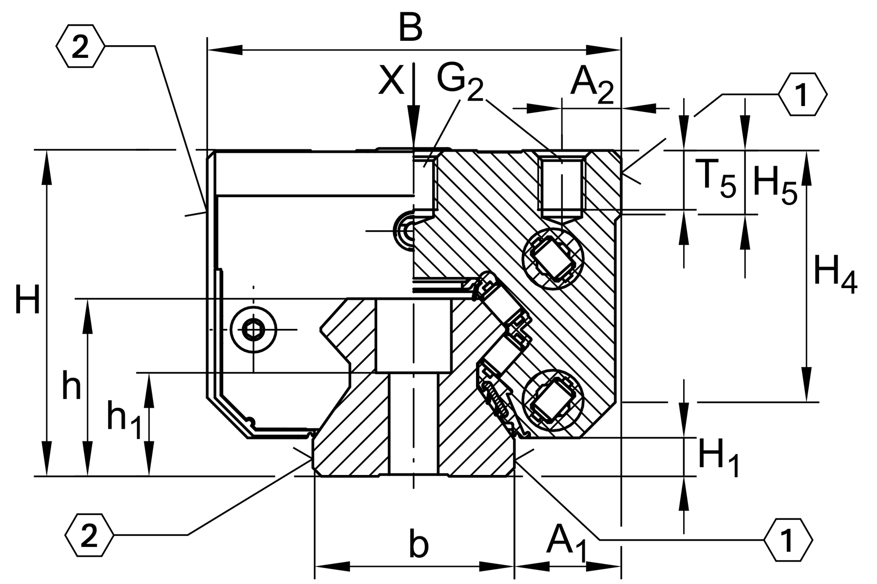
Mounting dimensions
A1
12.5 mm
JB
35 mm
b
23 mm
width rail
Tolb
-0.005 mm
Upper tolerance
Tolb
-0.03 mm
Lower tolerance
A2
6.5 mm
L1
65.6 mm
JL
35 mm
jL
30 mm
aLmin
20 mm
1
aLmax
23 mm
1
aRmin
20 mm
Distance 1
aRmax
23 mm
1
H1
6.5 mm
H4
32.5 mm
H5
5.25 mm
T5
7.5 mm
h
22.3 mm
h1
11.8 mm
Tolh1
0.5 mm
Upper tolerance
Tolh1
-0.5 mm
Lower tolerance
G2
M6
G2MA
17 Nm
maximum tightening torque²
K1
M6
K1MA
17 Nm
maximum tightening torque
d1
6.7 mm
N2max
3 mm
3
JL5
19.5 mm
4
A3
11.5 mm
GS
M4x4
O
10x1,5
O-Ring DIN 3771
≈m
0
kg text.product.weight