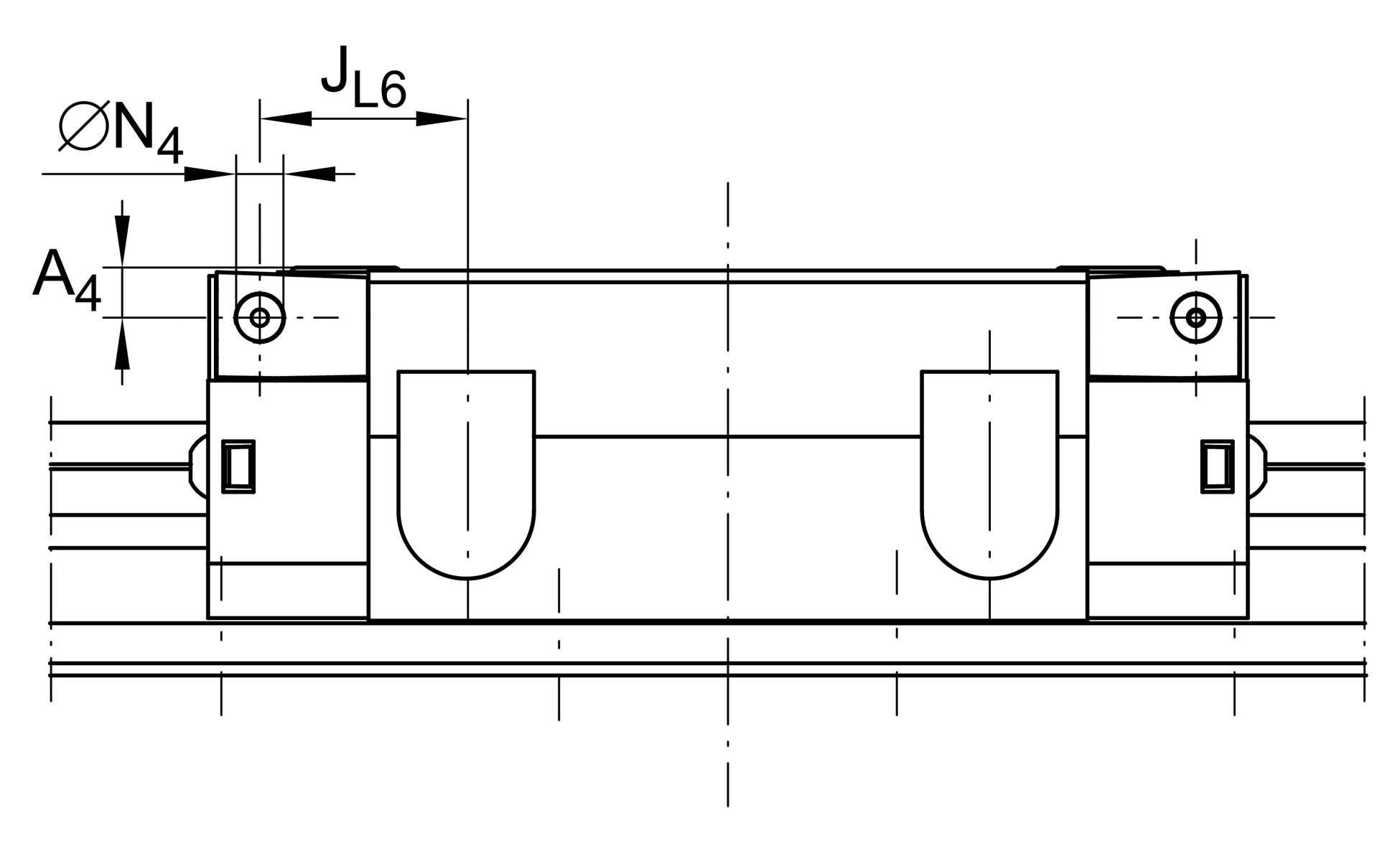
A1
|
23.5 mm
|
|
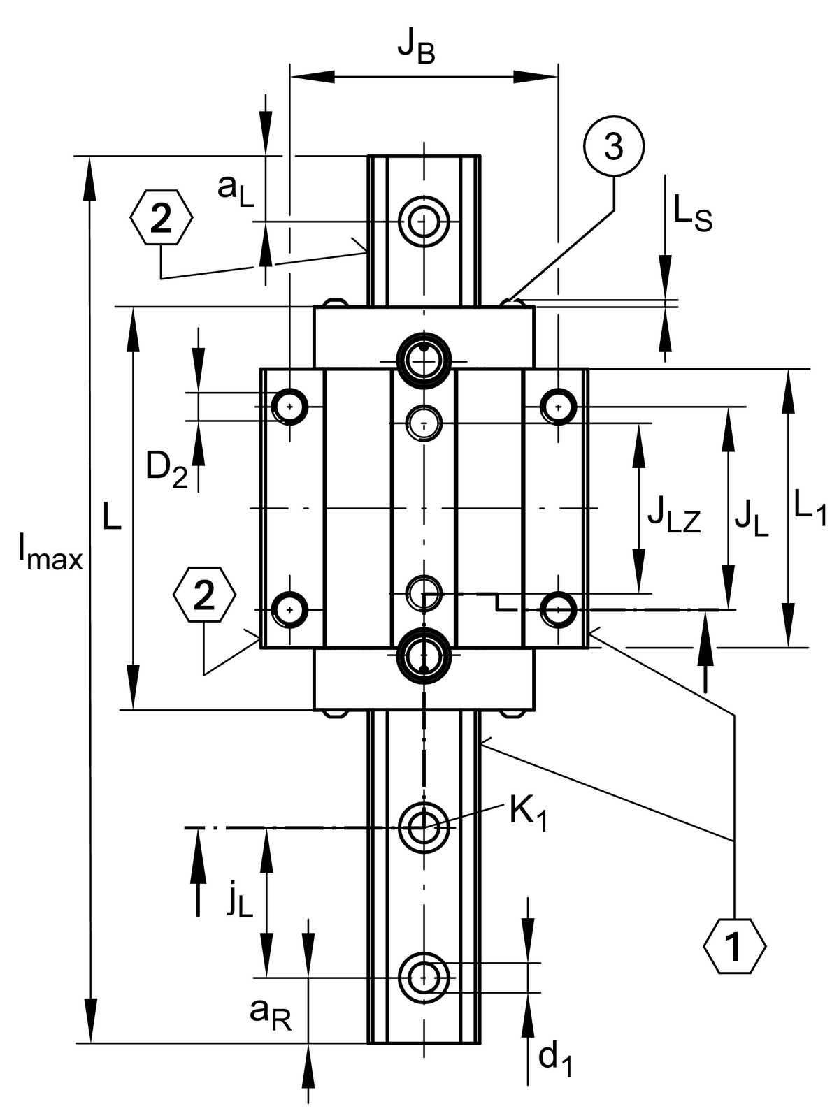
JB
|
57 mm
|
|
b
|
23 mm
|
width rail
|
Tolb
|
-0.005 mm
|
Upper tolerance
|
Tolb
|
-0.03 mm
|
Lower tolerance
|
A2
|
6.5 mm
|
|
L1
|
65.6 mm
|
|
JL
|
45 mm
|
|
JLZ
|
40 mm
|
|
jL
|
30 mm
|
|
aLmin
|
20 mm
|
1
|
aLmax
|
23 mm
|
1
|
aRmin
|
20 mm
|
Distance 1
|
aRmax
|
23 mm
|
1
|
H1
|
6.5 mm
|
|
H4
|
17.8 mm
|
|
H5
|
5.25 mm
|
|
T5
|
10 mm
|
|
T6
|
8.5 mm
|
|
h
|
22.3 mm
|
|
h1
|
11.8 mm
|
|
G2
|
M8
|
|
G2MA
|
24 Nm
|
maximum tightening torque²
|
K1
|
MA 17 Nm
|
maximum tightening torque
|
K3
|
M6
|
|
K3MA
|
17 Nm
|
maximum tightening torque²
|
K6
|
M6
|
|
K6MA
|
10 Nm
|
maximum tightening torque²
|
d1
|
6.7 mm
|
|
D2
|
6.7 mm
|
|
N2max
|
3 mm
|
3
|
JL5
|
14.5 mm
|
4
|
A3
|
7.5 mm
|
|
GS
|
M4x4
|
|
O
|
10x1,5
|
O-Ring DIN 3771
|
≈m
|
0
|
kg text.product.weight
|