Japan
Contact
Search Bearing
Engineering Tools
Catalogs & Literature
Model query
Menu
About
CSR
PORTFOLIO
Engineered Bearings
MARKETS
INVESTORS
CAREERS
WORK THAT MATTERS
OUR CULTURE
BENEFITS
NEWS
Home
>
Model
>
Rail slider
GWH16-B Shaft support block
Request Information
Return to list
VIEW CAD DRAWING
View structure diagram
DOWNLOADS
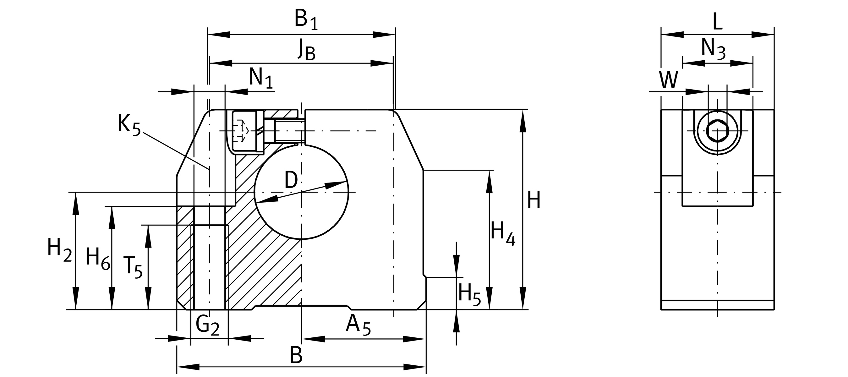
Main Dimensions & Performance Data
D
16 mm
Tol D
H8
B
43 mm
L
20 mm
H
36.5 mm
Weight
70 g
Mounting dimensions
JB
32 mm
Mounting Dimension
Tol JB
±0,15
Tolerance
A5
21.5 mm
Mounting Dimension
B1
34 mm
Mounting Dimension
H2
22 mm
Mounting Dimension
Tol H2
+0,1
Upper tolerance
Tol H2
-0,1
Lower tolerance
H4
28.1 mm
Mounting Dimension
H5
6.9 mm
Mounting Dimension
T5
13 mm
Mounting Dimension
H6
22 mm
Mounting Dimension
G2
M6 mm
Mounting thread below
N1
5.3 mm
Mounting Dimension
N3
11 mm
Mounting Dimension
K5
M5
Sie thread fixing screws above
W
3 mm
Width across Flat