Main Dimensions & Performance Data

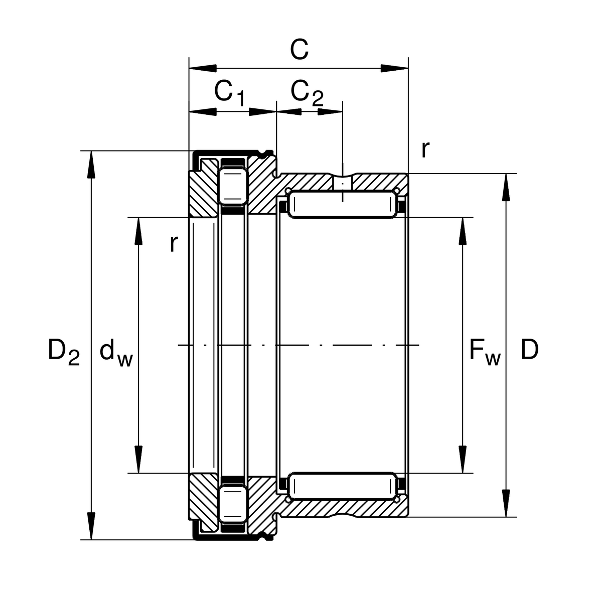
Fw

30 mm

D

42 mm

C

30 mm

Cr

25500 N

Cor

36000 N

Cur

6400 N

Ca

35500 N

Coa

86000 N

Cua

6400 N

Reference speed

2900 rpm

Limiting speed

7500 rpm

Mounting dimensions

D1 max

48.2 mm Flange maximum outer diameter

da

42.7 mm Shaft shoulder installation dimensions

D2 max

48.2 mm Flange maximum outer diameter

ra max

0.6 mm Maximum pocket radius

C1

11 mm Axial bearing assembly width

C2

9.5 mm Distance to lubrication hole

dw

30 mm Inner diameter of shaft ring

r min

0.6 mm Minimum chamfer size

Temperature range

T min

-30 °C Minimum operating temperature

T max

120 °C Maximum operating temperature