Japan
Contact
Search Bearing
Engineering Tools
Catalogs & Literature
Model query
Menu
About
CSR
PORTFOLIO
Engineered Bearings
MARKETS
INVESTORS
CAREERS
WORK THAT MATTERS
OUR CULTURE
BENEFITS
NEWS
Home
>
Model
>
Insert Ball Bearing
GAY010-PP-B-AS2/V Insert Ball Bearing
Request Information
Return to list
VIEW CAD DRAWING
View structure diagram
View structure diagram
DOWNLOADS
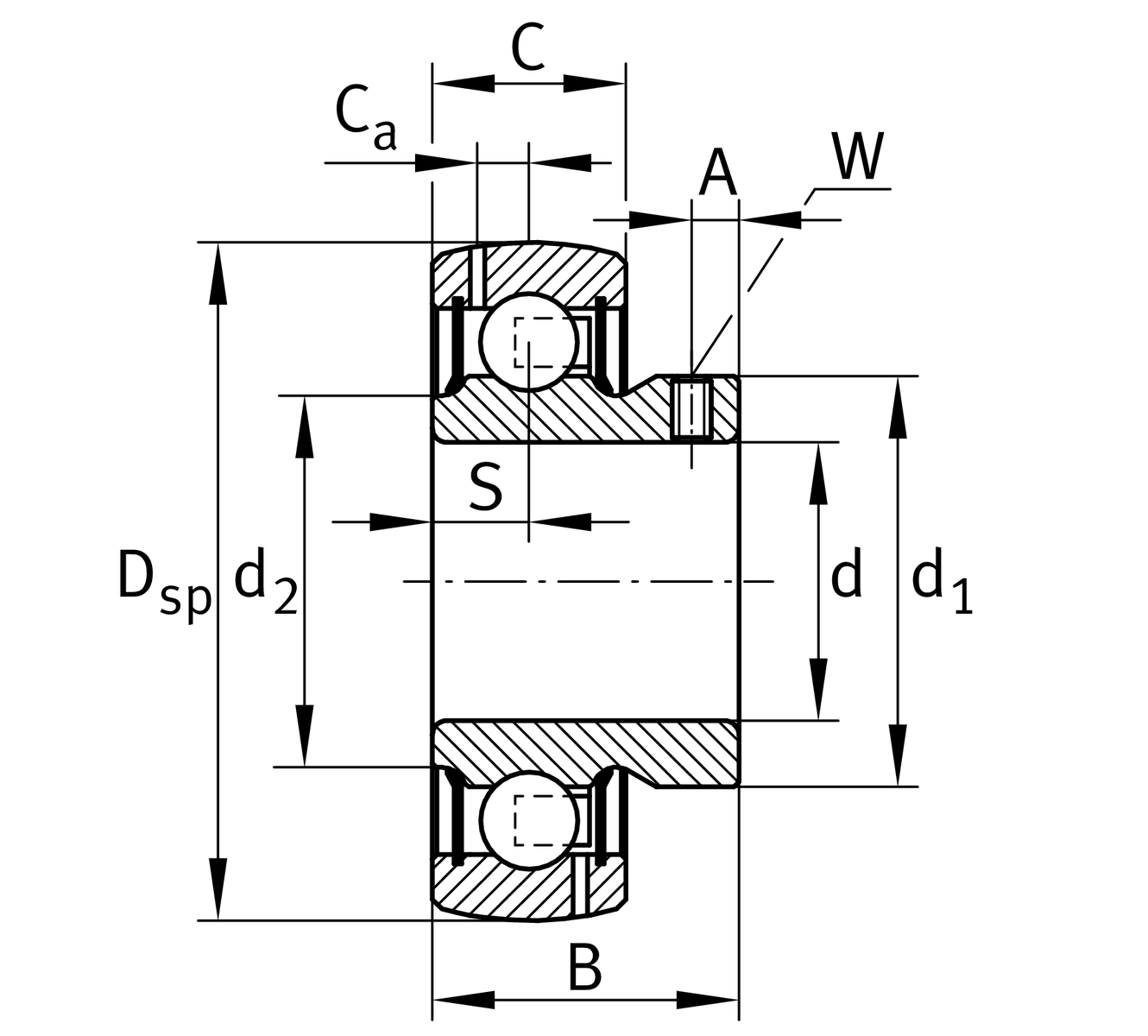
Main Dimensions & Performance Data
d
15.875 mm
D
40 mm
B
22 mm
Cr
9800 N
Cor
4750 N
Cur
219 N
Mounting dimensions
C
15 mm
Outer ring width
C2
16.5 mm
Total sealing width
S
14.3 mm
Raceway distance
d1
33.8 mm
Inner ring flange diameter
D1
42.5 mm
Seal outer diameter
Ca
3.9 mm
Distance to lubrication hole
A
5 mm
Thread distance
W
0.09375
Opening width (inches)
Temperature range
Tmin
-20 °C
Minimum operating temperature
Tmax
120 °C
Maximum operating temperature
Calculation coefficient
f0
13.8
Calculation coefficient