Japan
Contact
Search Bearing
Engineering Tools
Catalogs & Literature
Model query
Menu
About
CSR
PORTFOLIO
Engineered Bearings
MARKETS
INVESTORS
CAREERS
WORK THAT MATTERS
OUR CULTURE
BENEFITS
NEWS
Home
>
Model
>
Insert Ball Bearing
GE35-XL-KRR-B Insert Ball Bearing
Request Information
Return to list
VIEW CAD DRAWING
View structure diagram
View structure diagram
DOWNLOADS
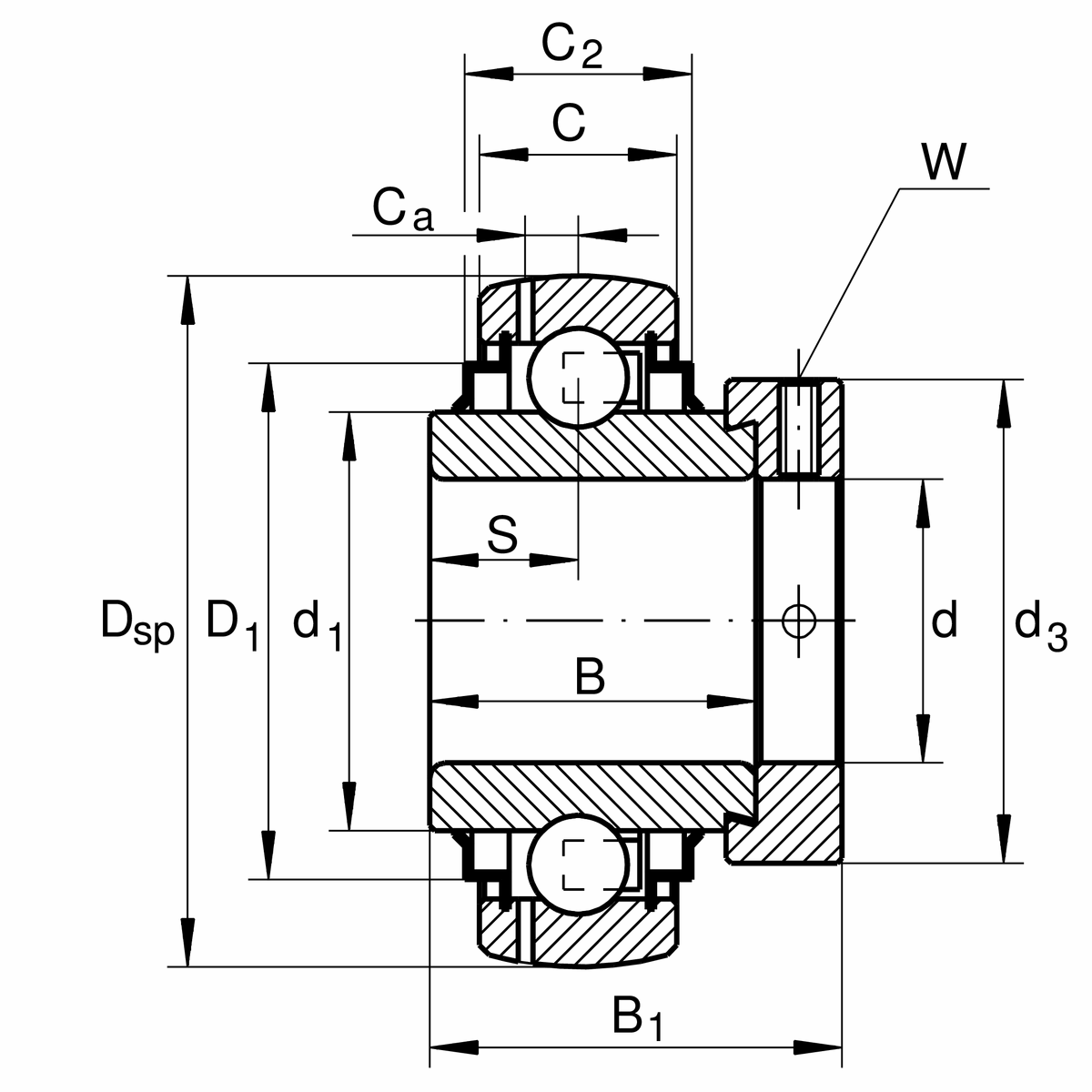
Main Dimensions & Performance Data
d
35 mm
D
72 mm
B
37.7 mm
B1
51.3 mm
Cr
25500 N
Cor
15300 N
Cur
800 N
Mounting dimensions
C
21 mm
Outer ring width
S
11 mm
Raceway distance
d2
49.4 mm
SealInner ring flange diameter
d3
58 mm
Outer diameter of eccentric sleeve / locknut
W
0.188
Opening width (inches)
Calculation coefficient
f0
13.6
Calculation coefficient