Japan
Contact
Search Bearing
Engineering Tools
Catalogs & Literature
Model query
Menu
About
CSR
PORTFOLIO
Engineered Bearings
MARKETS
INVESTORS
CAREERS
WORK THAT MATTERS
OUR CULTURE
BENEFITS
NEWS
Home
>
Model
>
Insert Ball Bearing
PE30-XL Insert Ball Bearing
Request Information
Return to list
VIEW CAD DRAWING
View structure diagram
View structure diagram
DOWNLOADS
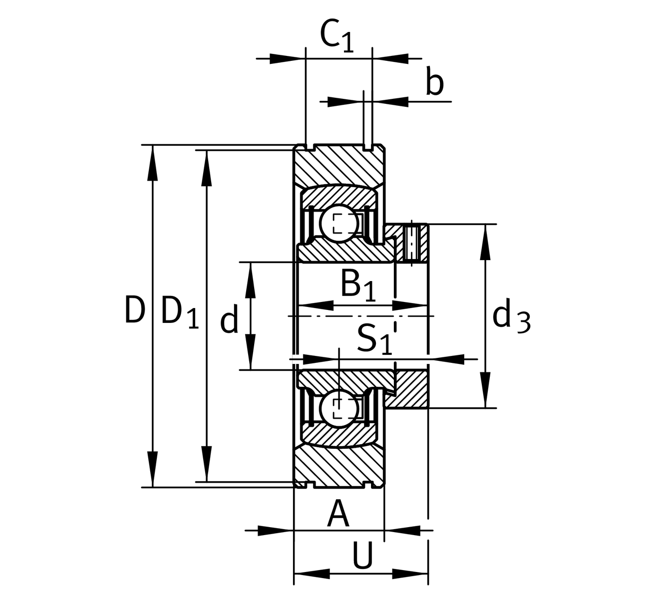
Main Dimensions & Performance Data
d
30 mm
D
72 mm
B
U 37.2 mm
Cr
19500 N
Cor
11300 N
Cur
480 N
Mounting dimensions
C
20 mm
Outer ring width
C2
20.6 mm
Total sealing width
S
17.5 mm
Raceway distance
d1
46.84 mm
Inner ring flange diameter
Ca
5.7 mm
Distance to lubrication hole
A
7 mm
Thread distance
W
0.15625
Opening width (inches)
Calculation coefficient
f0
13.8
Calculation coefficient