Japan
Contact
Search Bearing
Engineering Tools
Catalogs & Literature
Model query
Menu
About
CSR
PORTFOLIO
Engineered Bearings
MARKETS
INVESTORS
CAREERS
WORK THAT MATTERS
OUR CULTURE
BENEFITS
NEWS
Home
>
Model
>
Insert Ball Bearing
GRAE30-XL-PP-B-FA125 Insert Ball Bearing
Request Information
Return to list
VIEW CAD DRAWING
View structure diagram
View structure diagram
DOWNLOADS
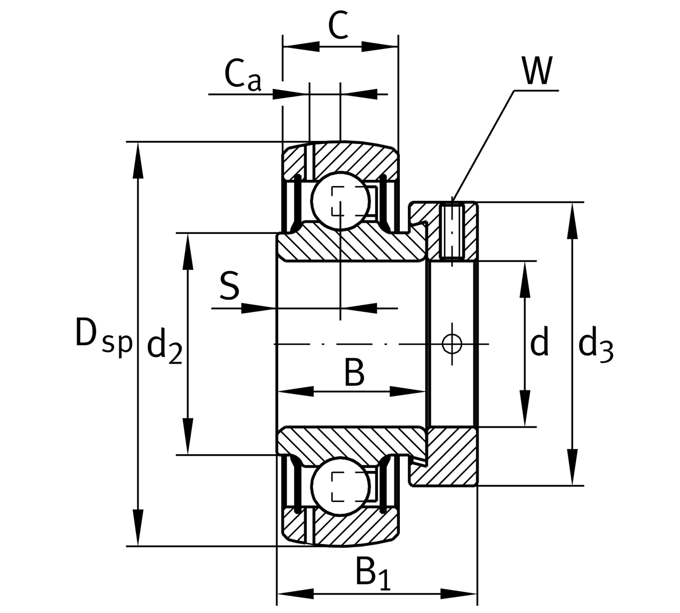
Main Dimensions & Performance Data
d
30 mm
D
62 mm
B
23.8 mm
B1
35.8 mm
Cr
19500 N
Cor
11300 N
Cur
480 N
Mounting dimensions
C
19 mm
Outer ring width
S
9.5 mm
Raceway distance
d2
44.5 mm
SealInner ring flange diameter
Ca
5.7 mm
Distance to lubrication hole
d3
51 mm
Outer diameter of eccentric sleeve / locknut
W
0.188
Opening width (inches)
Calculation coefficient
f0
13.8
Calculation coefficient