Japan
Contact
Search Bearing
Engineering Tools
Catalogs & Literature
Model query
Menu
About
CSR
PORTFOLIO
Engineered Bearings
MARKETS
INVESTORS
CAREERS
WORK THAT MATTERS
OUR CULTURE
BENEFITS
NEWS
Home
>
Model
>
Insert Ball Bearing
GLE30-XL-KRR-B Insert Ball Bearing
Request Information
Return to list
VIEW CAD DRAWING
View structure diagram
View structure diagram
DOWNLOADS
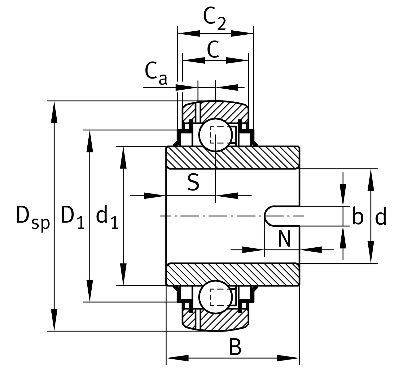
Main Dimensions & Performance Data
d
30 mm
D
62 mm
B
36.5 mm
Cr
19500 N
Cor
11300 N
Cur
520 N
Mounting dimensions
C
19 mm
Outer ring width
C2
19.6 mm
Total sealing width
S
15.9 mm
Raceway distance
d1
40.2 mm
Inner ring flange diameter
Ca
5 mm
Distance to lubrication hole
A
5 mm
Thread distance
W
3
Plane width
Calculation coefficient
f0
13.8
Calculation coefficient