Japan
Contact
Search Bearing
Engineering Tools
Catalogs & Literature
Model query
Menu
About
CSR
PORTFOLIO
Engineered Bearings
MARKETS
INVESTORS
CAREERS
WORK THAT MATTERS
OUR CULTURE
BENEFITS
NEWS
Home
>
Model
>
Insert Ball Bearing
GE30-XL-KTT-B Insert Ball Bearing
Request Information
Return to list
VIEW CAD DRAWING
View structure diagram
View structure diagram
DOWNLOADS
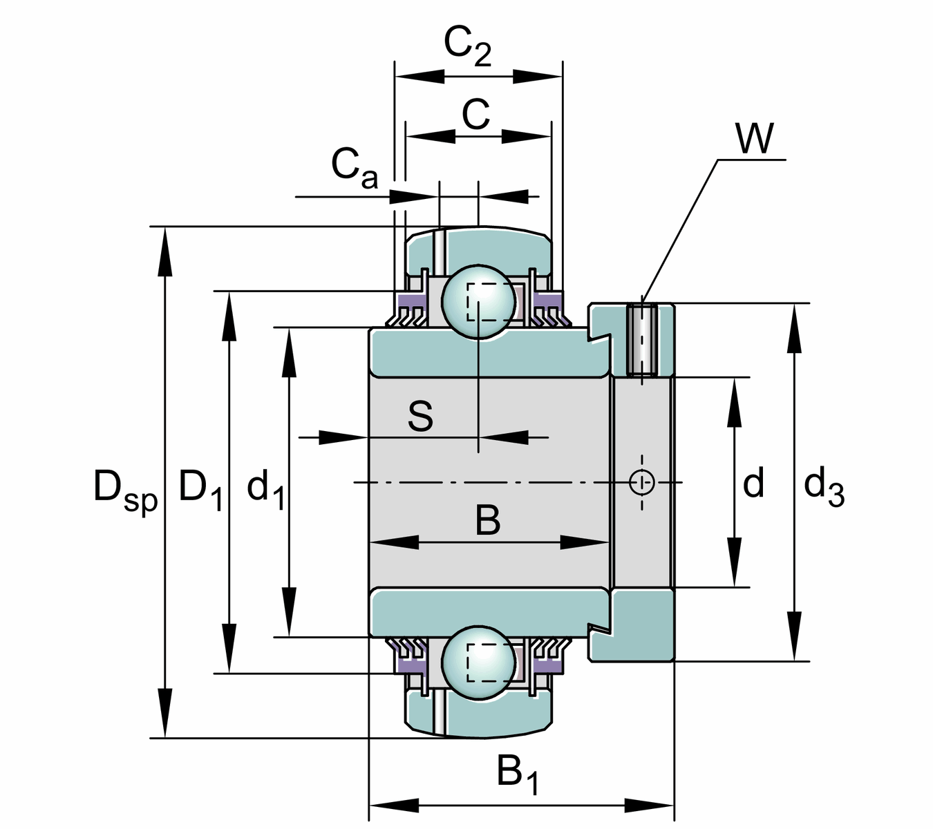
Main Dimensions & Performance Data
d
30 mm
D
62 mm
B
36.5 mm
B1
48.5 mm
Cr
20700 N
Cor
11300 N
Cur
590 N
Mounting dimensions
C
13 mm
Outer ring width
S
6.5 mm
Raceway distance
d2
35.7 mm
SealInner ring flange diameter
d3
42.5 mm
Outer diameter of eccentric sleeve / locknut
W
2.5 mm
Plane width
Calculation coefficient
f0
14.8
Calculation coefficient