Japan
Contact
Search Bearing
Engineering Tools
Catalogs & Literature
Model query
Menu
About
CSR
PORTFOLIO
Engineered Bearings
MARKETS
INVESTORS
CAREERS
WORK THAT MATTERS
OUR CULTURE
BENEFITS
NEWS
Home
>
Model
>
Insert Ball Bearing
GAY30-XL-PP-B Insert Ball Bearing
Request Information
Return to list
VIEW CAD DRAWING
View structure diagram
View structure diagram
DOWNLOADS
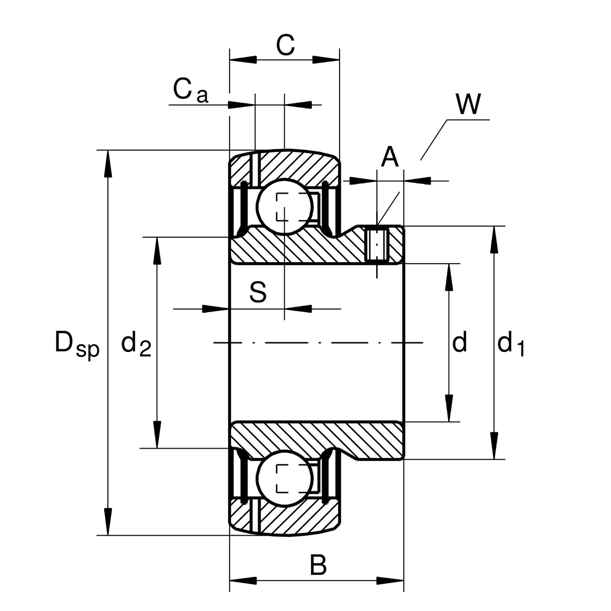
Main Dimensions & Performance Data
d
30 mm
D
62 mm
B
30 mm
Cr
19500 N
Cor
11300 N
Cur
480 N
Mounting dimensions
C
18 mm
Outer ring width
S
9 mm
Raceway distance
d2
37.4 mm
SealInner ring flange diameter
Ca
4.7 mm
Distance to lubrication hole
d3
44 mm
Outer diameter of eccentric sleeve / locknut
W
4
Plane width
Calculation coefficient
f0
13.8
Calculation coefficient