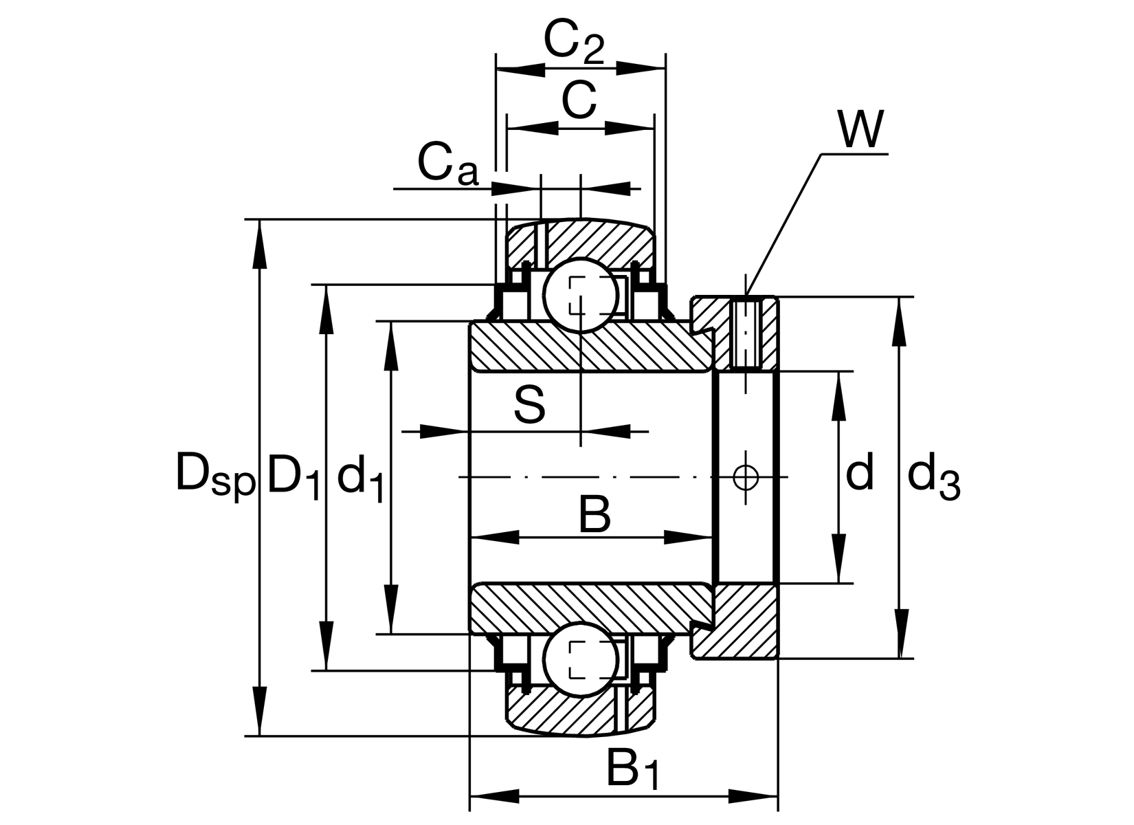
Main Dimensions & Performance Data

d

25.4 mm

D

52 mm

B

34.9 mm

B1

44.5 mm

Cr

14900 N

Cor

7800 N

Cur

410 N

Mounting dimensions

C

18 mm Outer ring width

C2

20.7 mm Total sealing width

S

18.3 mm Raceway distance

d1

40.2 mm Inner ring flange diameter

D1

52 mm Seal outer diameter

Ca

4.7 mm Distance to lubrication hole

d3

44 mm Outer diameter of eccentric sleeve / locknut

W

4 Plane width

Calculation coefficient

f0

13.8 Calculation coefficient