Japan
Contact
Search Bearing
Engineering Tools
Catalogs & Literature
Model query
Menu
About
CSR
PORTFOLIO
Engineered Bearings
MARKETS
INVESTORS
CAREERS
WORK THAT MATTERS
OUR CULTURE
BENEFITS
NEWS
Home
>
Model
>
Insert Ball Bearing
GSH25-XL-2RSR-B Insert Ball Bearing
Request Information
Return to list
VIEW CAD DRAWING
View structure diagram
View structure diagram
DOWNLOADS
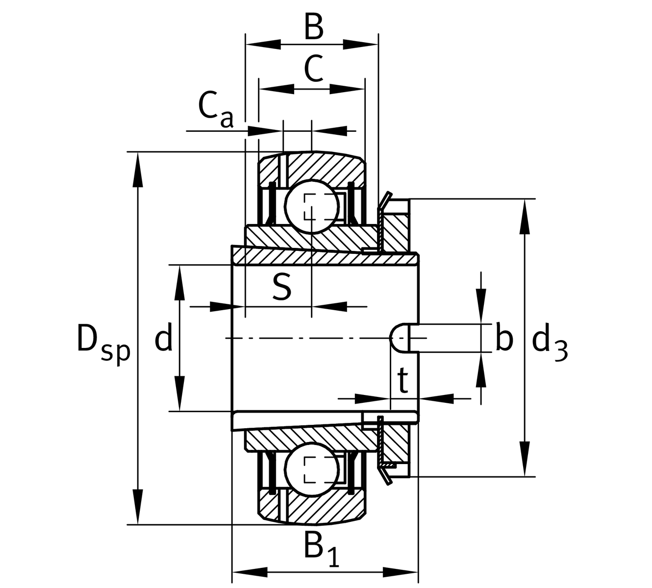
Main Dimensions & Performance Data
d
25 mm
D
52 mm
B
15 mm
B1
28 mm
Cr
13600 N
Cor
7800 N
Cur
420 N
Mounting dimensions
C
12 mm
Outer ring width
S
6 mm
Raceway distance
d2
30 mm
SealInner ring flange diameter
d3
36 mm
Outer diameter of eccentric sleeve / locknut
W
2.5 mm
Plane width
Calculation coefficient
f0
14.6
Calculation coefficient