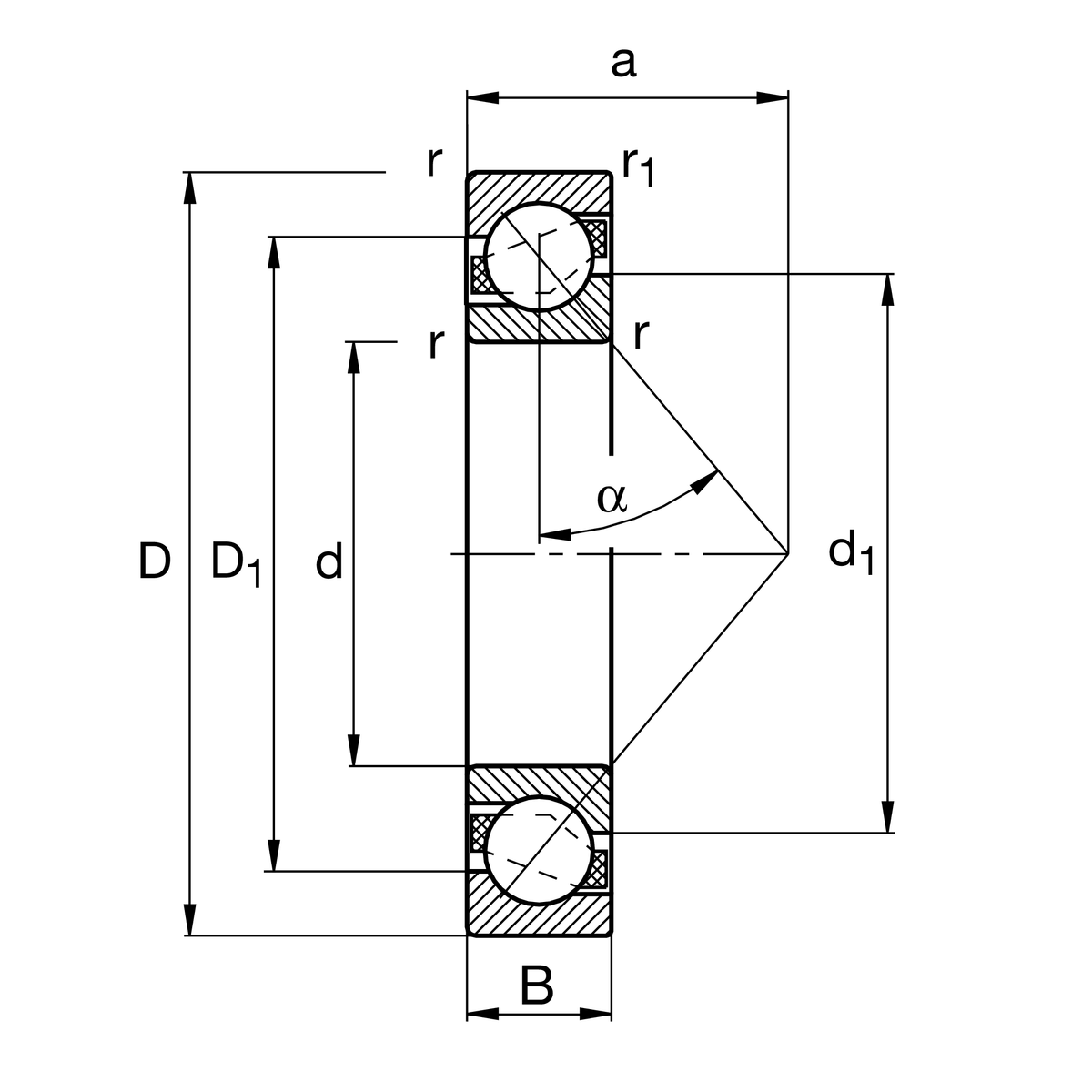
Main Dimensions & Performance Data

d

180 mm

D

250 mm

B

33 mm

Reference speed

2600 rpm

Mounting dimensions

da min

188.8 mm Shaft shoulder minimum diameter

r min

2 mm Minimum chamfer size

Da max

241.2 mm Maximum diameter of housing shoulder

r1 min

1 mm Minimum chamfer size

D1

223 mm Inner ring rib diameter

Db max

245.4 mm Maximum diameter of outer ring

ra max

2 mm Maximum pocket radius

ra1 max

1 mm Maximum pocket radius

d1

207 mm Inner ring rib diameter

a

79 mm Pressure cone tip distance

α

30 ° Contact angle

Temperature range

T min

-30 °C Minimum operating temperature

T max

200 °C Maximum operating temperature