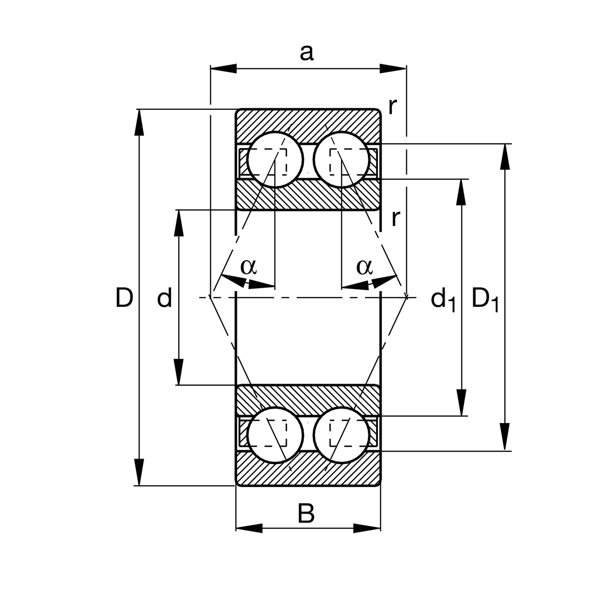
Main Dimensions & Performance Data

d

100 mm

D

180 mm

B

60.3 mm

Reference speed

4400 rpm

Mounting dimensions

da min

112 mm Shaft shoulder minimum diameter

r min

2.1 mm Minimum chamfer size

D1

155.7 mm Inner ring rib diameter

Da max

168 mm Maximum diameter of housing shoulder

ra max

2.1 mm Maximum pocket radius

D2

157.4 mm Pocket to Outer Ring Inner Diameter

d1

124.7 mm Inner ring rib diameter

d2

121.3 mm Thrust washer diameter

a

91.3 mm Pressure cone tip distance

α

25 ° Contact angle

Temperature range

T min

-20 °C Minimum operating temperature

T max

120 °C Maximum operating temperature