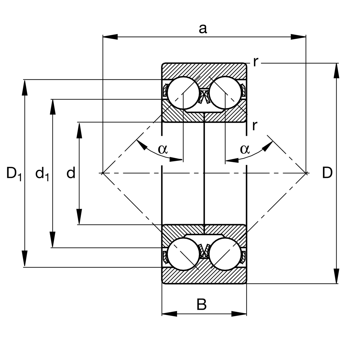
Main Dimensions & Performance Data

d

85 mm

D

180 mm

B

73 mm

Reference speed

3750 rpm

Mounting dimensions

da min

99 mm Shaft shoulder minimum diameter

r min

3 mm Minimum chamfer size

D1

156.5 mm Shoulder diameter outer ring

Da max

166 mm Maximum diameter of housing shoulder

ra max

2.5 mm Maximum pocket radius

d1

124.3 mm Shoulder diameter inner ring

a

167 mm Pressure cone tip distance

α

45 ° Contact angle

Temperature range

T min

-30 °C Minimum operating temperature

T max

150 °C Maximum operating temperature