Main Dimensions & Performance Data

d

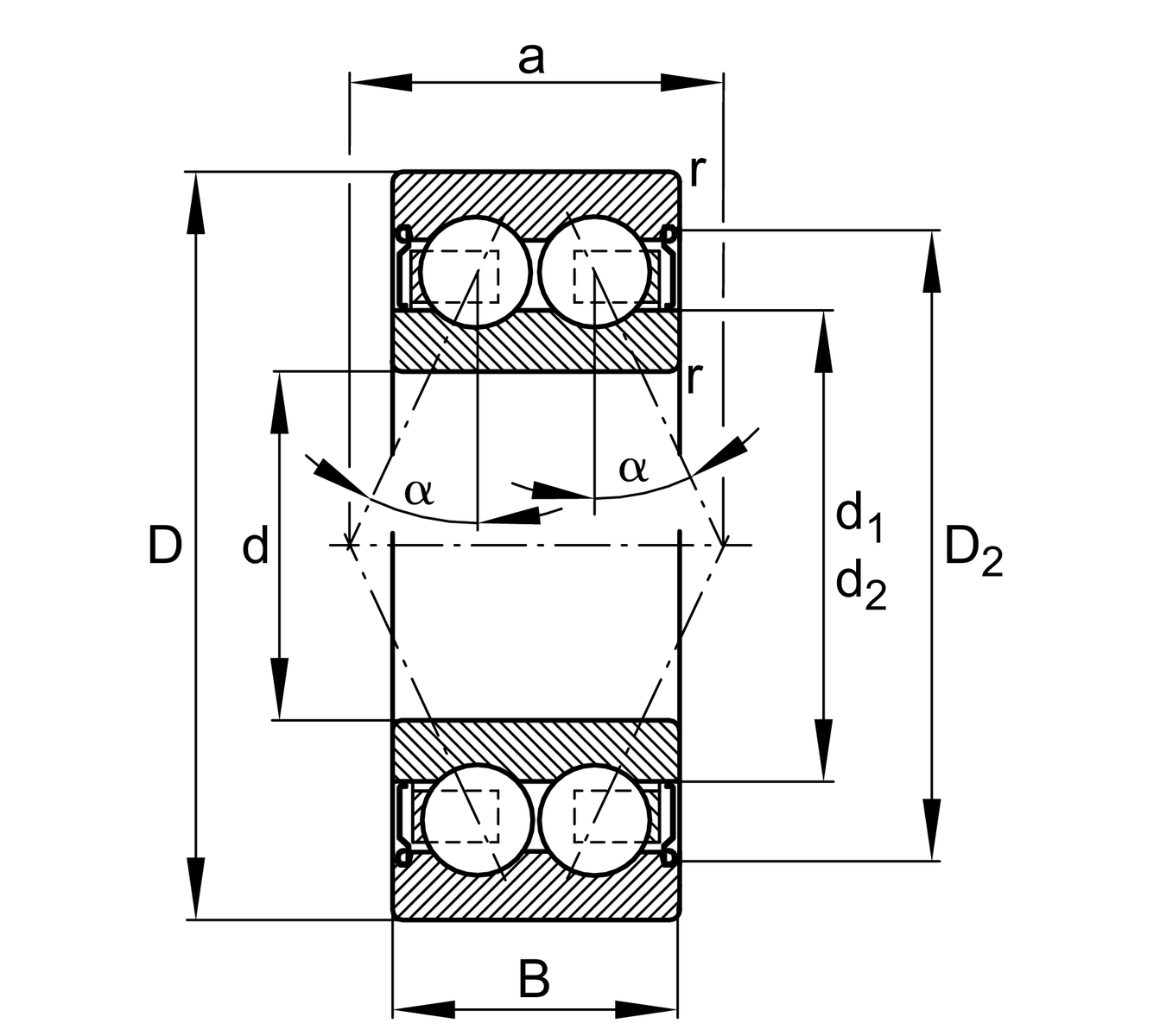
85 mm

D

150 mm

B

49.2 mm

Reference speed

4850 rpm

Mounting dimensions

da min

96 mm Shaft shoulder minimum diameter

r min

2 mm Minimum chamfer size

Da max

139 mm Maximum diameter of housing shoulder

ra max

2 mm Maximum pocket radius

D2

133.8 mm Pocket to Outer Ring Inner Diameter

d1

106.2 mm Inner ring rib diameter

a

75.4 mm Pressure cone tip distance

α

25 ° Contact angle

Temperature range

T min

-20 °C Minimum operating temperature

T max

120 °C Maximum operating temperature