Japan
Contact
Search Bearing
Engineering Tools
Catalogs & Literature
Model query
Menu
About
CSR
PORTFOLIO
Engineered Bearings
MARKETS
INVESTORS
CAREERS
WORK THAT MATTERS
OUR CULTURE
BENEFITS
NEWS
Home
>
Model
>
Deep groove ball bearing
CSEB030 Thin Wall Bearing
Request Information
Return to list
VIEW CAD DRAWING
View structure diagram
View structure diagram
DOWNLOADS
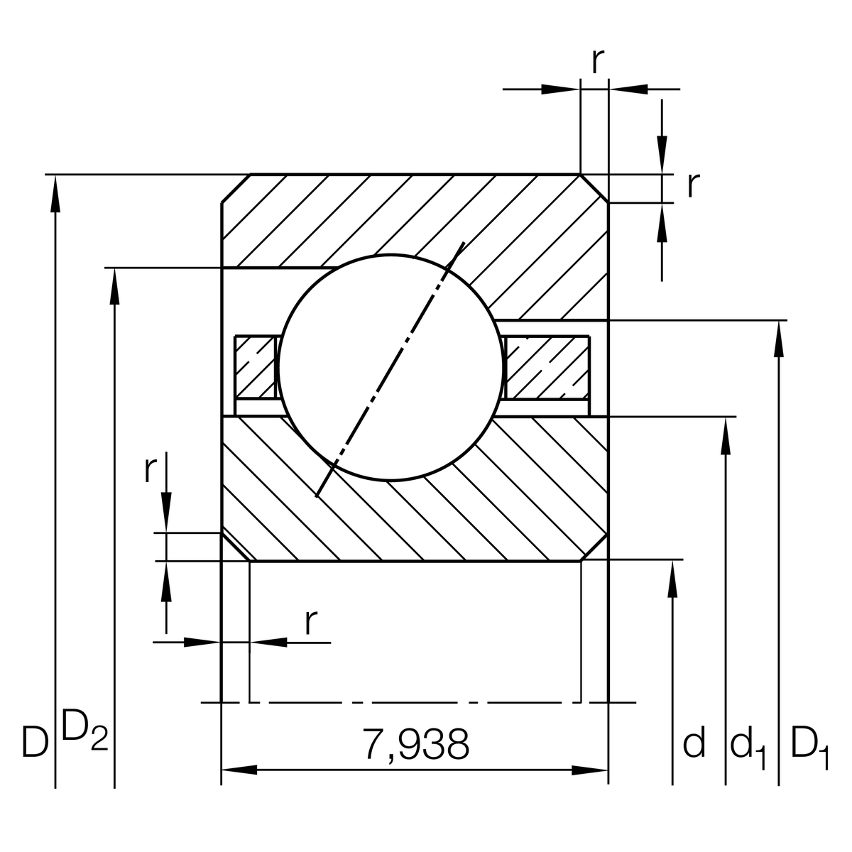
Main Dimensions & Performance Data
d
76.2 mm
D
92.075 mm
B
7.938 mm
Mounting dimensions
r min
1 mm
Minimum chamfer dimension
d1
82.1 mm
Inner ring shoulder diameter
D1
86.2 mm
Outer ring shoulder diameter
D2
87.9 mm
Outer ring narrow plate diameter
α
30 °
Contact angle
Temperature range
T min
-30 °C
Minimum operating temperature
T max
120 °C
Maximum operating temperature