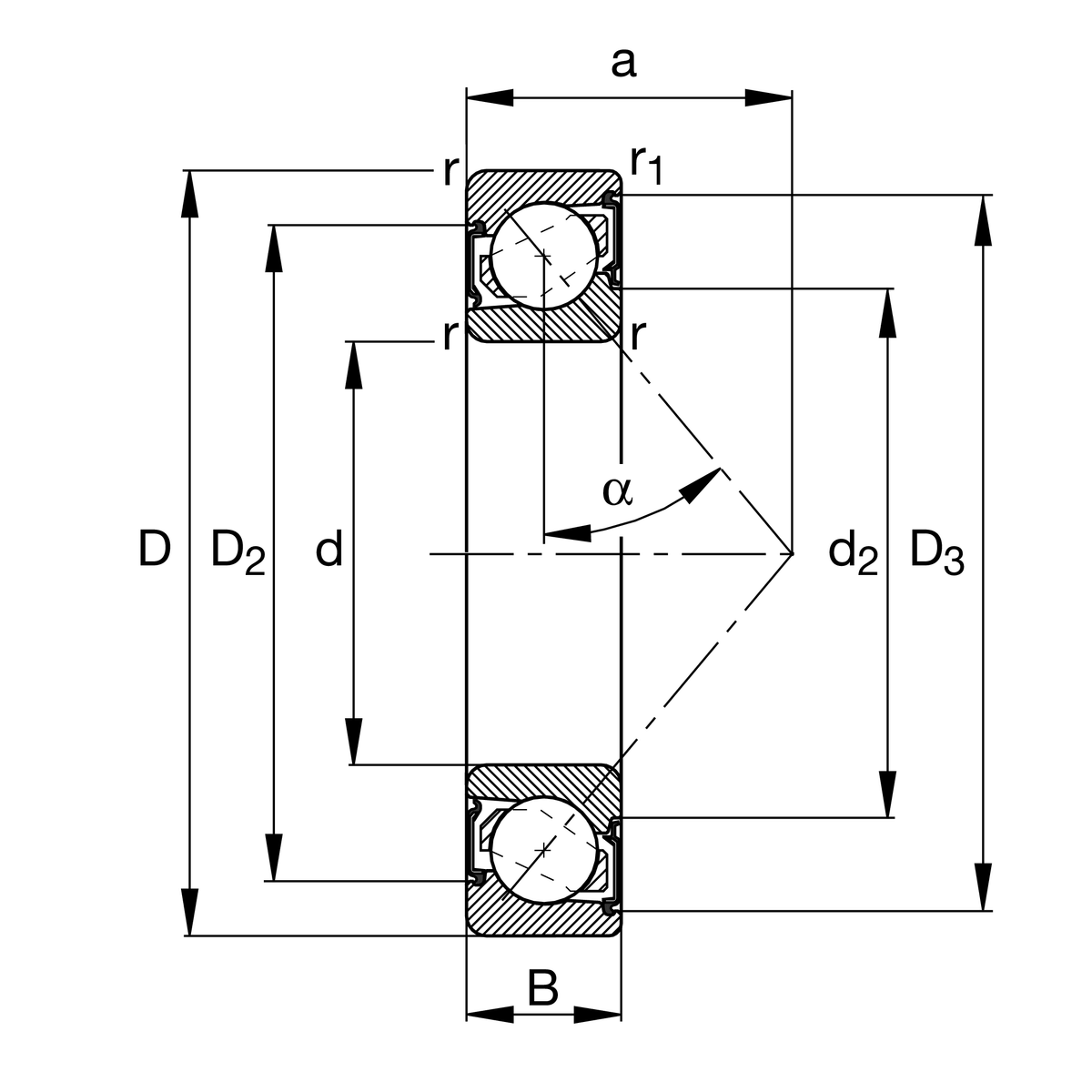
Main Dimensions & Performance Data

d

50 mm

D

90 mm

B

20 mm

Cr

41500 N

Cor

28500 N

Cur

1970 N

Mounting dimensions

da min

57 mm Shaft shoulder minimum diameter

r min

1.1 mm Minimum chamfer size

Da max

83 mm Maximum diameter of housing shoulder

r1 min

0.6 mm Minimum chamfer size

D1

74.8 mm Inner ring rib diameter

Db max

85.8 mm Maximum diameter of outer ring

ra max

1 mm Maximum pocket radius

D2

77.4 mm Pocket to Outer Ring Inner Diameter

ra1 max

0.6 mm Maximum pocket radius

D3

84.6 mm The inner diameter of the pocket to the small side of the outer ring

d1

66.3 mm Inner ring rib diameter

d2

61.8 mm Thrust washer diameter

a

39 mm Pressure cone tip distance

α

40 ° Contact angle

Temperature range

T min

-20 °C Minimum operating temperature

T max

100 °C Maximum operating temperature