Main Dimensions & Performance Data

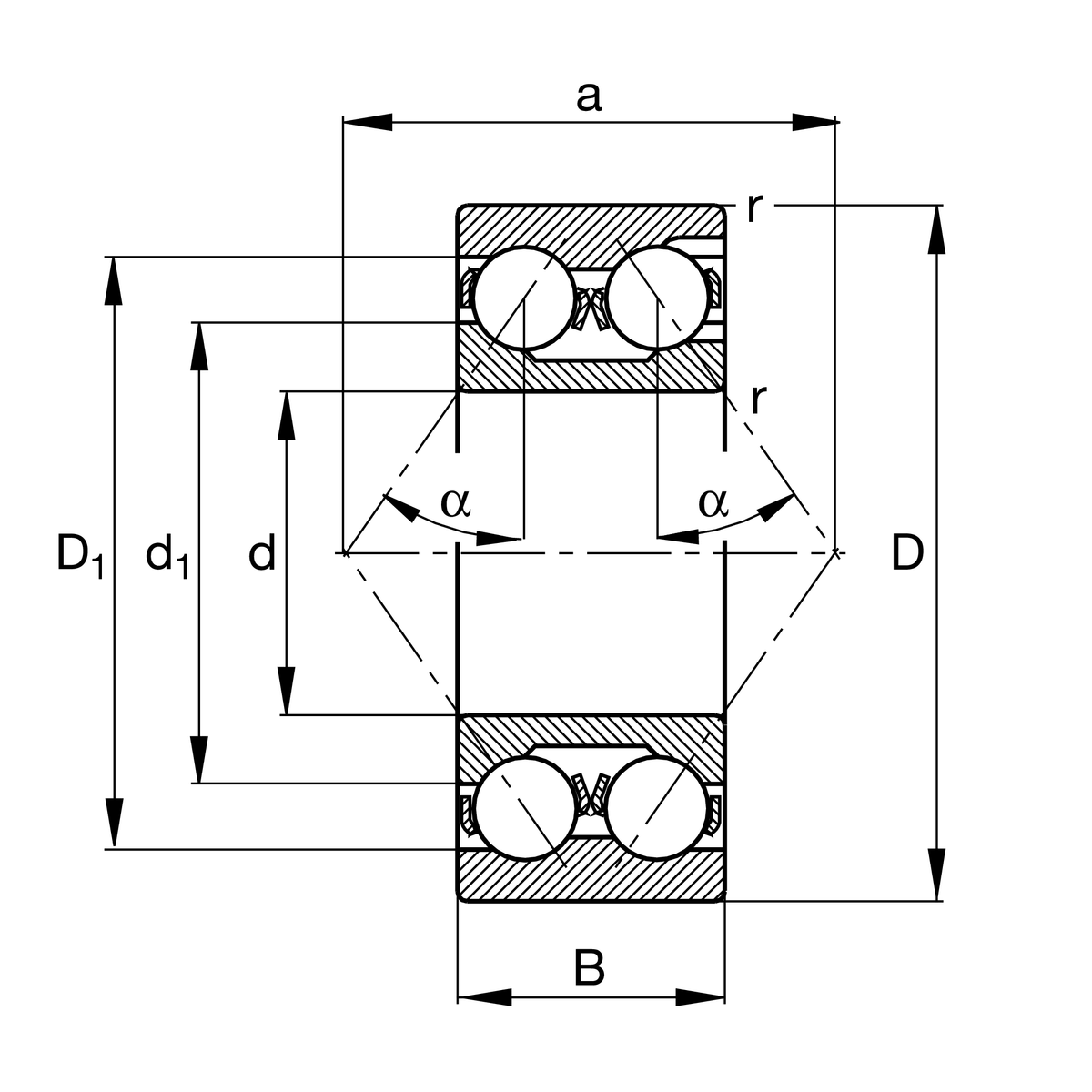
d

90 mm

D

190 mm

B

73 mm

Cr

260000 N

Cor

295000 N

Cur

13000 N

Reference speed

3350 rpm

Limiting speed

3650 rpm

Mounting dimensions

da min

104 mm Shaft shoulder minimum diameter

r min

3 mm Minimum chamfer size

D1

168.2 mm Inner ring rib diameter

Da max

176 mm Maximum diameter of housing shoulder

ra max

2.5 mm Maximum pocket radius

d1

126.1 mm Inner ring rib diameter

a

136 mm Pressure cone tip distance

α

35 ° Contact angle

Temperature range

T min

-30 °C Minimum operating temperature

T max

150 °C Maximum operating temperature