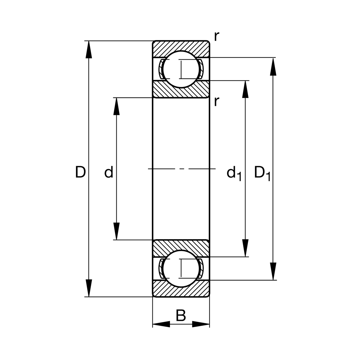
Main Dimensions & Performance Data

d

25 mm

D

37 mm

B

7 mm

Cr

4300 N

Cor

2940 N

Cur

132 N

Reference speed

13900 rpm

Limiting speed

28000 rpm

Mounting dimensions

da min

27 mm Minimum diameter of shaft shoulder

rmin

0.3 mm Minimum chamfer size

Da max

35 mm Maximum diameter of bearing block shoulder

ra max

0.3 mm Maximum cavity radius

D2

34.2 mm Inner diameter from recess to outer ring

d1

28.2 mm Shoulder diameter inner ring

Temperature range

Tmin

-30 °C Minimum operating temperature

Tmax

100 °C Maximum operating temperature

Calculation coefficient

f0

16 Calculation coefficient