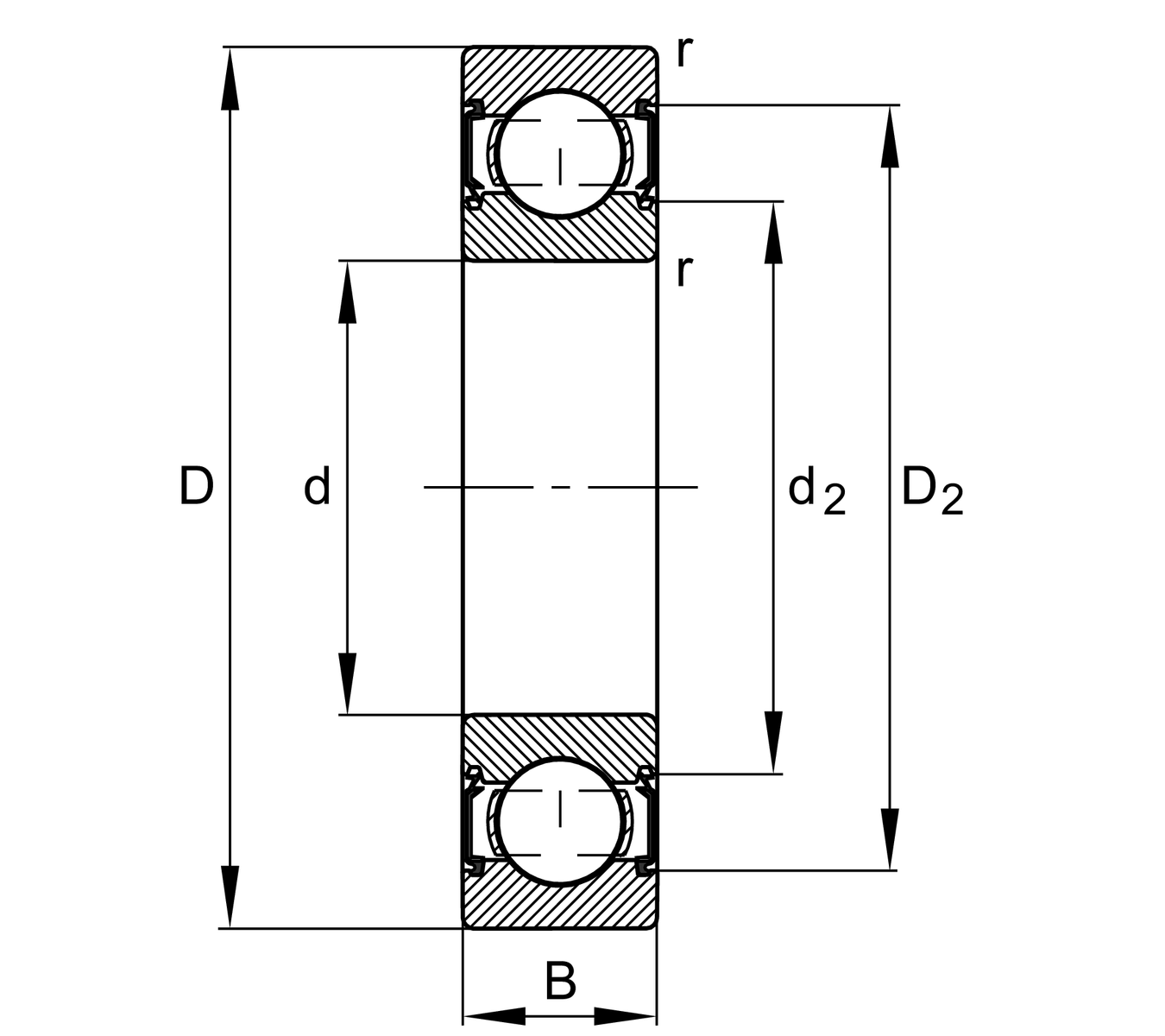
Main Dimensions & Performance Data

d

20 mm

D

52 mm

B

15 mm

Cr

18500 N

Cor

7800 N

Cur

540 N

Limiting speed

14000 rpm

Mounting dimensions

da min

27 mm Minimum diameter of shaft shoulder

rmin

1.1 mm Minimum chamfer size

Da max

45 mm Maximum diameter of bearing block shoulder

ra max

1.1 mm Maximum cavity radius

D2

44.4 mm Inner diameter from recess to outer ring

d1

30.3 mm Shoulder diameter inner ring

Temperature range

Tmin

-20 °C Minimum operating temperature

Tmax

100 °C Maximum operating temperature

Calculation coefficient

f0

12.4 Calculation coefficient