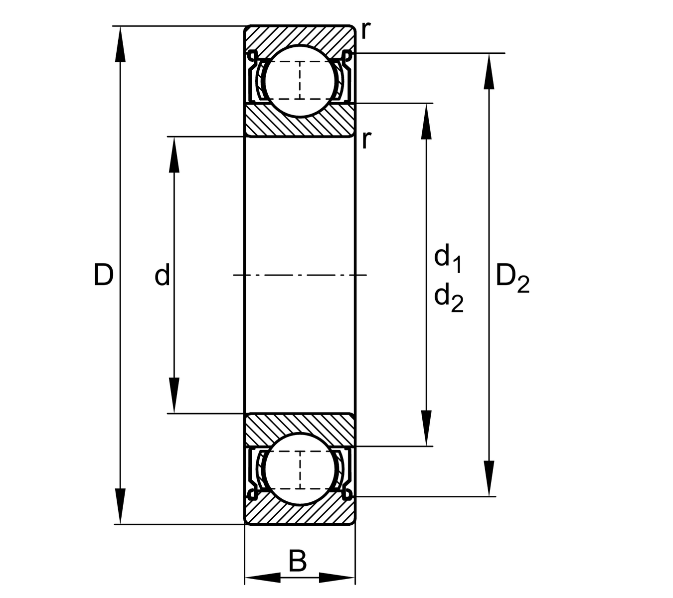
Main Dimensions & Performance Data

d

3 mm

D

8 mm

B

4 mm

Cr

559 N

Cor

179 N

Cur

4.8 N

Limiting speed

87000 rpm

Mounting dimensions

da min

4.4 mm Minimum diameter of shaft shoulder

rmin

0.15 mm Minimum chamfer size

Da max

8.6 mm Maximum diameter of bearing block shoulder

ra max

0.15 mm Maximum cavity radius

D2

7.98 mm Inner diameter from recess to outer ring

d2

4.35 mm Thrust washer diameter

Temperature range

Tmin

-20 °C Minimum operating temperature

Tmax

120 °C Maximum operating temperature

Calculation coefficient

f0

12.8 Calculation coefficient