Main Dimensions & Performance Data

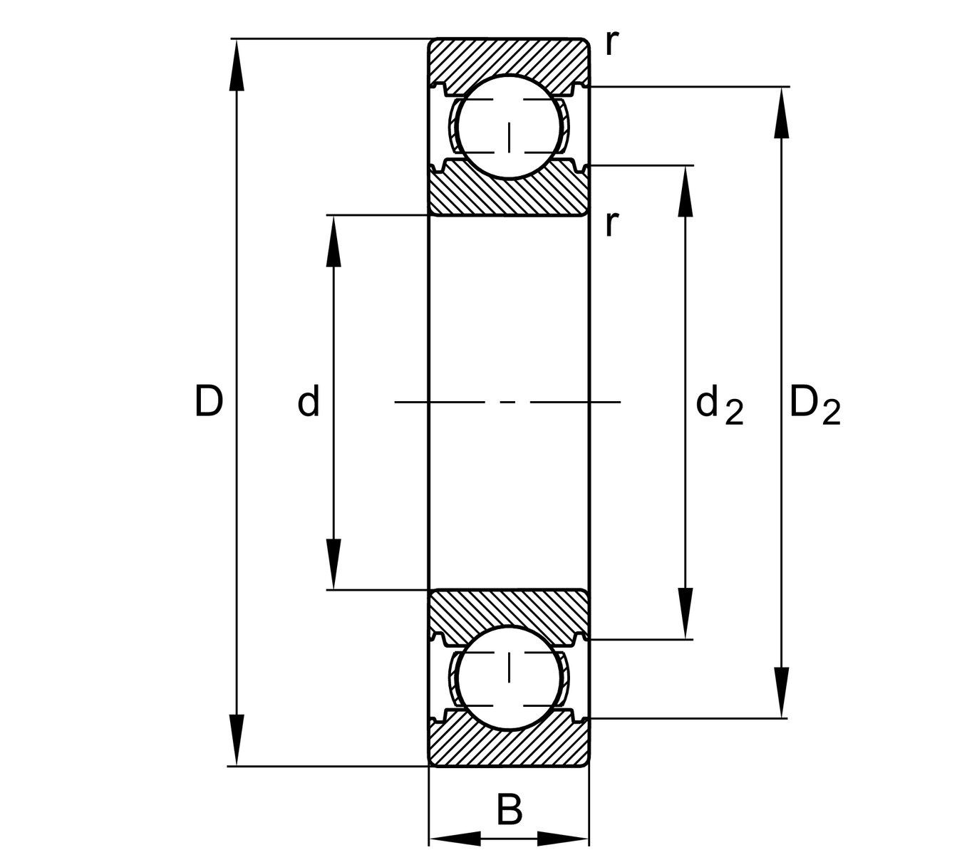
d

60 mm

D

130 mm

B

31 mm

Cr

89000 N

Cor

52000 N

Cur

3600 N

Reference speed

7400 rpm

Limiting speed

7900 rpm

Mounting dimensions

da min

66 mm Minimum diameter of shaft shoulder

rmin

2 mm Minimum chamfer size

Da max

109 mm Maximum diameter of bearing block shoulder

ra max

2 mm Maximum cavity radius

D2

105.3 mm Inner diameter from recess to outer ring

d2

72.5 mm Thrust washer diameter

Temperature range

Tmin

-20 °C Minimum operating temperature

Tmax

120 °C Maximum operating temperature

Calculation coefficient

f0

12.9 Calculation coefficient