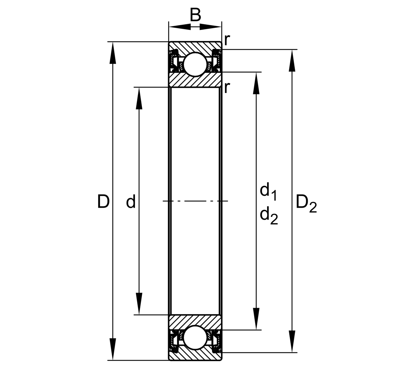
Main Dimensions & Performance Data

d

40 mm

D

62 mm

B

12 mm

Cr

14500 N

Cor

9900 N

Cur

590 N

Reference speed

10000 rpm

Limiting speed

13500 rpm

Mounting dimensions

da min

43.2 mm Minimum diameter of shaft shoulder

rmin

0.6 mm Minimum chamfer size

Da max

58.8 mm Maximum diameter of bearing block shoulder

ra max

0.6 mm Maximum cavity radius

D2

57.3 mm Inner diameter from recess to outer ring

d1

46.9 mm Shoulder diameter inner ring

Temperature range

Tmin

-30 °C Minimum operating temperature

Tmax

100 °C Maximum operating temperature

Calculation coefficient

f0

15.5 Calculation coefficient