Main Dimensions & Performance Data

d

20 mm

D

47 mm

B

14 mm

Cr

14700 N

Cor

6600 N

Cur

455 N

Reference speed

18100 rpm

Limiting speed

20600 rpm

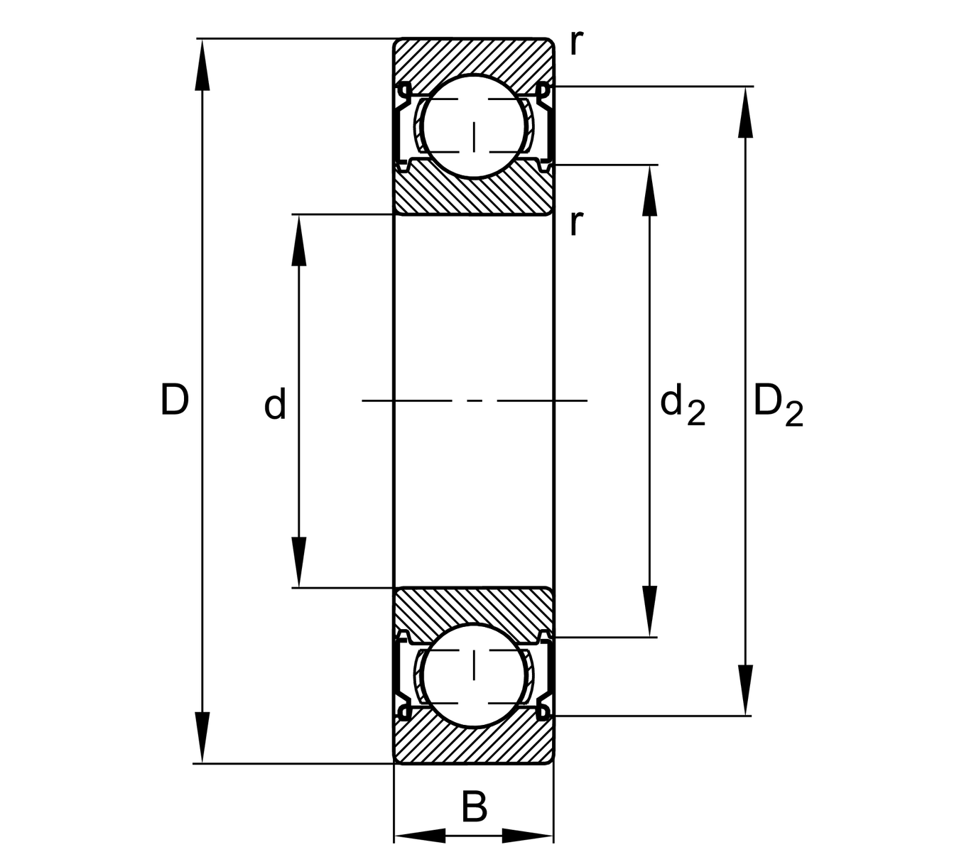
Mounting dimensions

da min

25.6 mm Minimum diameter of shaft shoulder

rmin

1 mm Minimum chamfer size

Da max

41.4 mm Maximum diameter of bearing block shoulder

ra max

1 mm Maximum cavity radius

D2

41.4 mm Inner diameter from recess to outer ring

d2

26.6 mm Thrust washer diameter

Temperature range

Tmin

-20 °C Minimum operating temperature

Tmax

120 °C Maximum operating temperature

Calculation coefficient

f0

13.1 Calculation coefficient