Japan
Contact
Search Bearing
Engineering Tools
Catalogs & Literature
Model query
Menu
About
CSR
PORTFOLIO
Engineered Bearings
MARKETS
INVESTORS
CAREERS
WORK THAT MATTERS
OUR CULTURE
BENEFITS
NEWS
Home
>
Model
>
Deep groove ball bearing
CSCB035 Deep groove ball bearing
Request Information
Return to list
VIEW CAD DRAWING
View structure diagram
View structure diagram
DOWNLOADS
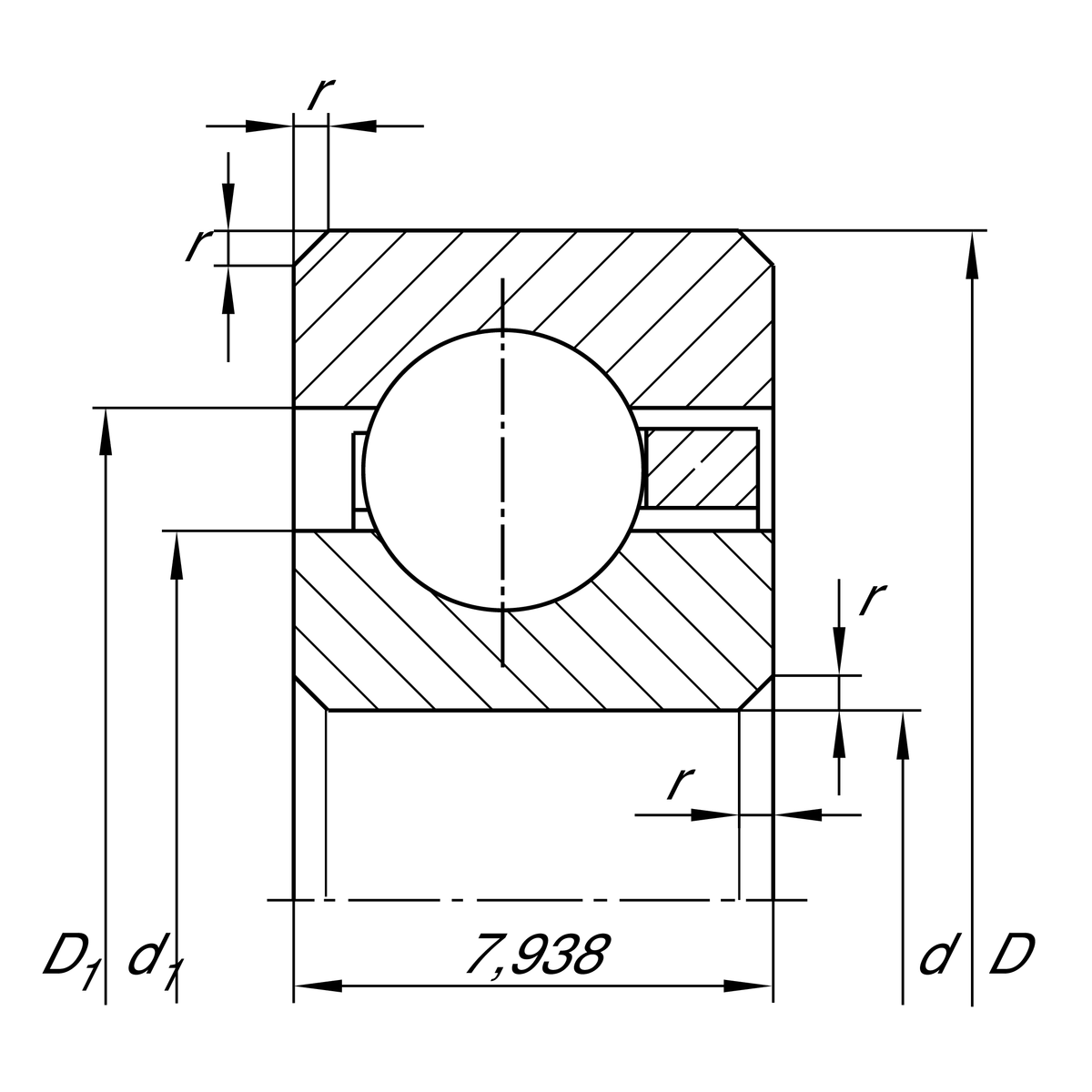
Main Dimensions & Performance Data
d
88.9 mm
d(Inch)
88.9 Inch
D
104.775 mm
B
7.938 mm
Cr
5800 N
Cor
6100 N
Limiting speed
6000 rpm
Mounting dimensions
r min
1 mm
Minimum chamfer dimension ,
d 1
94.8 mm
Shoulder diameter inner ring
D 1
98.9 mm
Shoulder diameter outer ring
Temperature range
T min
-30 °C
Operating temperature min.
T max
120 °C
Operating temperature max.