Main Dimensions & Performance Data

d

25 mm

D

62 mm

B

17 mm

Cr

49000 N

Cor

37500 N

Cur

5700 N

Reference speed

10100 rpm

Limiting speed

14400 rpm

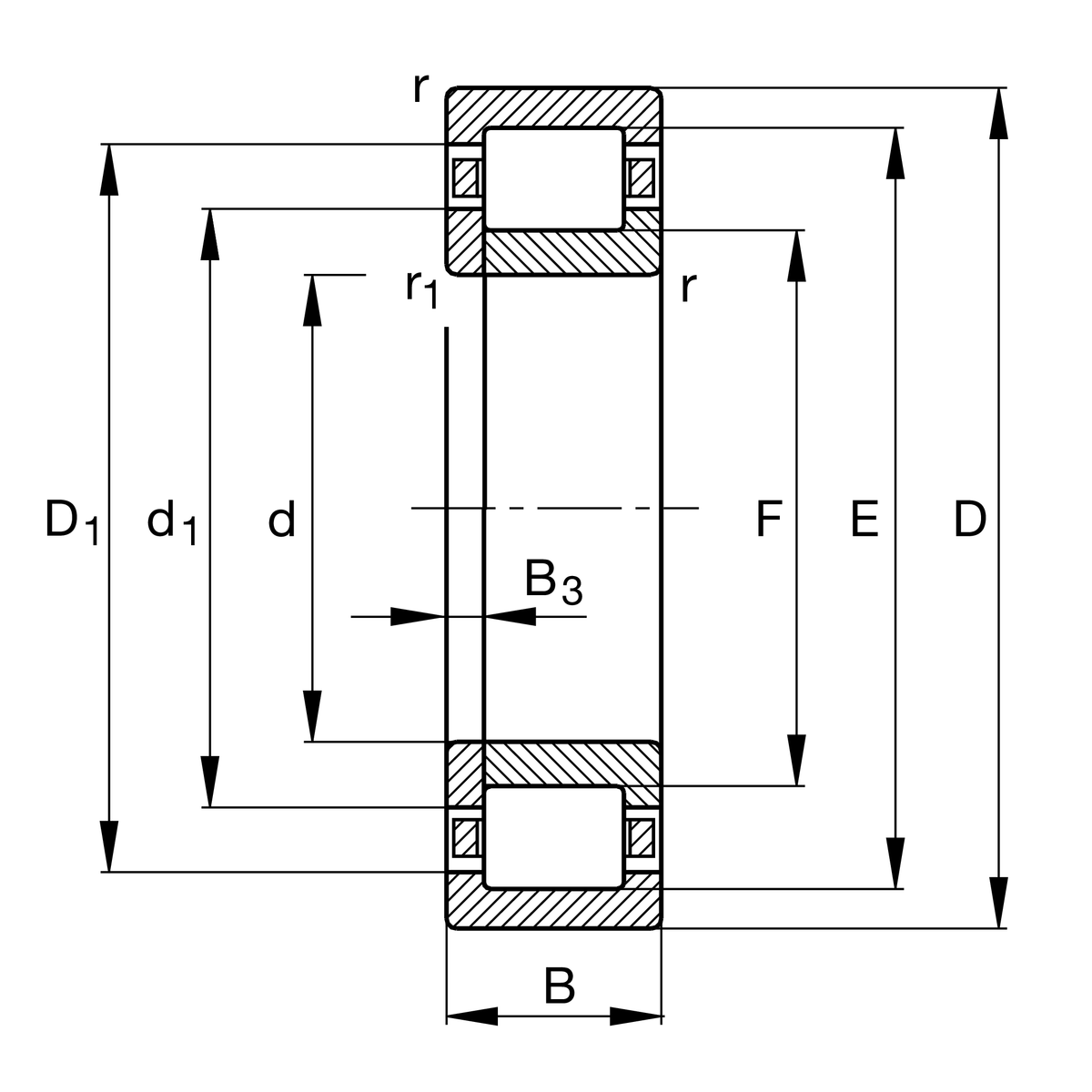
Mounting dimensions

d1

38.1 Maximum flange diameter of inner ring

rmin

1.1 Minimum chamfer size

D1min

50.7 Minimum shoulder diameter of outer ring

r1min

1.1 Minimum chamfer size

damin

32 Minimum diameter of shaft shoulder

E

54 Outer race diameter

dcmin

40 Minimum shaft shoulder

F

34 Inner race diameter

Damax

55 Maximum diameter of bearing block shoulder

B3

3 Loose edge width

ramax

1 Maximum cavity radius

Temperature range

Tmin

-30 °C Minimum operating temperature

Tmax

120 °C Maximum operating temperature