Main Dimensions & Performance Data

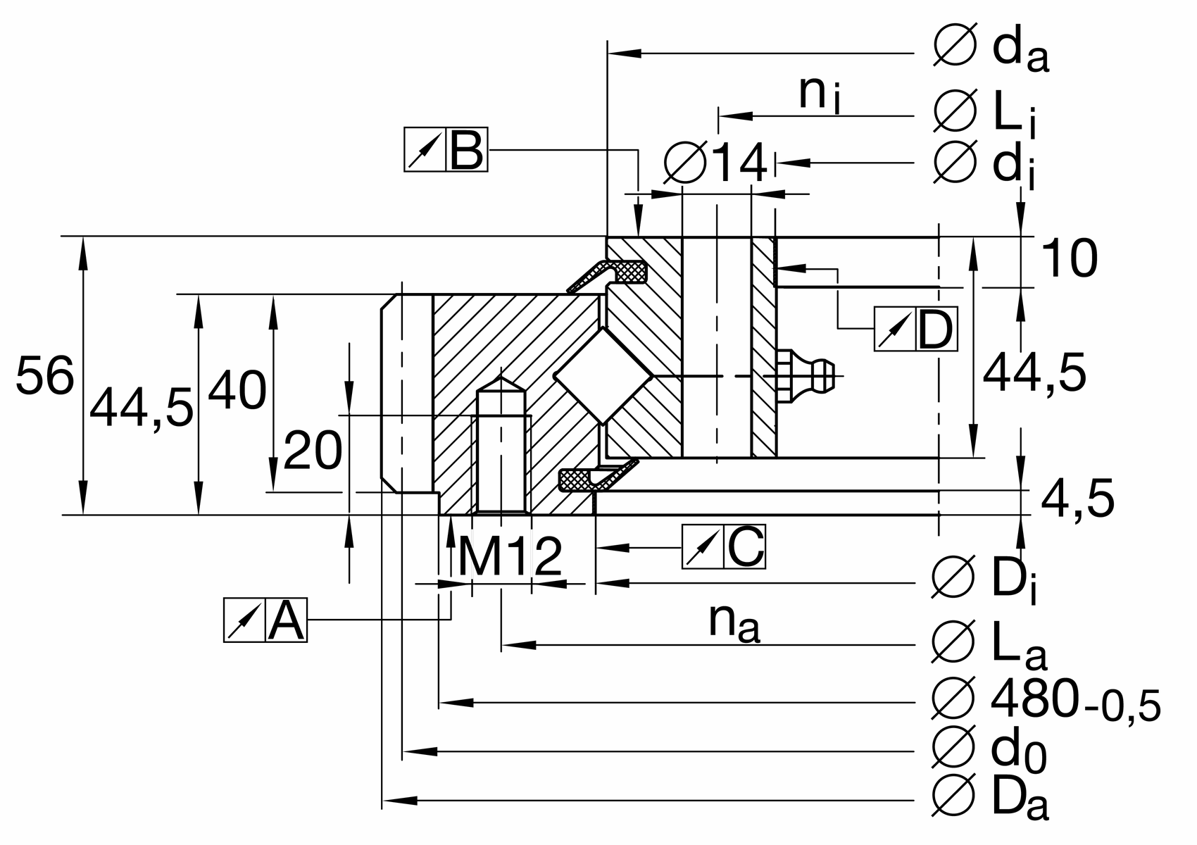
D

950.1 mm

B

56 mm

Mounting dimensions

ha

44.5 mm Width outer ring

La

885 mm Pitchcircle diameter fixing holes outer ring

na

36 Number of fixing holes in outer ring

b

44.5 mm Width gearing

m

8 mm Modul of gearing

z

117 Number of teeth

d0

936 mm Pitch circle diameter gearing

Fz norm

28,300 N Max. tooth force root fatigue strenght (at a shock factor of 1,2)

Fz max

42,000 N Max. tooth force against tooth fracture (at a shock factor of 1,35)

da

843 mm Outside diameter inner ring

0 mm Outside diameter inner ring upper tolerance

-0.6 mm Outside diameter inner ring lower tolerance

h

44.5 mm height of individual ring

dB

14 mm Fixing bore

Li

798 mm Pitchcircle diameter fixing holes inner ring

ni

40 Number of fixing holes in inner ring

M12 Tread fixing bore

tG

20 mm Thread depth oil connector

0.05 mm Running accuracy A (related to the raceway)

0.05 mm Running accuracy B (related to the raceway)

0.09 mm Running accuracy C (related to the raceway)

0.08 mm Running accuracy D (related to the raceway)

Temperature range

T min

-25 °C Minimum operating temperature

T max

80 °C Maximum operating temperature

Calculation coefficient

Ca

295,000 N Basic dynamic load rating, axial

C0a

1,110,000 N Basic static load rating, axial ,

Cr

210,000 N Basic dynamic load rating, radial (for radial load only)

C0r

540,000 N Basic static load rating, radial (for radial load only)

VSP max

0.04 mm Maximum bearing preload

VSP min

0.01 mm Min. bearing preload

Fr zul

168,000 N Max. radial friction locking of the screws