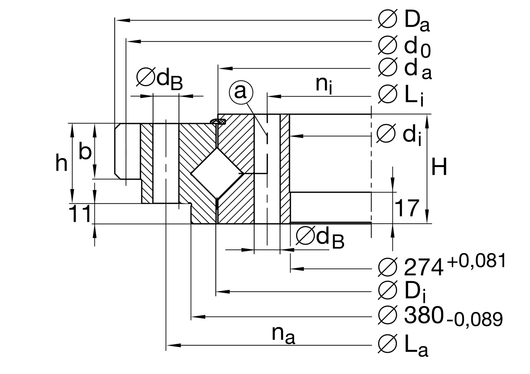
Main Dimensions & Performance Data

d

274 mm

D

462 mm

B

59 mm

Mounting dimensions

Di

353 mm Inner diameter outer ring

ha

54 mm Width outer ring

La

407 mm Pitchcircle diameter fixing holes outer ring

na

24 Number of fixing holes in outer ring

b

30 mm Width gearing

m

6 mm Modul of gearing

z

75 Number of teeth

d0

450 mm Pitch circle diameter gearing

Fz norm

20,900 N Max. tooth force root fatigue strenght (at a shock factor of 1,2)

Fz max

34,500 N Max. tooth force against tooth fracture (at a shock factor of 1,35)

da

351 mm Outside diameter inner ring

dB

14 mm Fixing bore

Li

298 mm Pitchcircle diameter fixing holes inner ring

ni

24 Number of fixing holes in inner ring

Temperature range

T min

-30 °C Minimum operating temperature

T max

80 °C Maximum operating temperature

Calculation coefficient

Ca

315,000 N Basic dynamic load rating, axial

C0a

780,000 N Basic static load rating, axial ,

Cr

225,000 N Basic dynamic load rating, radial (for radial load only)

C0r

380,000 N Basic static load rating, radial (for radial load only)

VSP max

0.02 mm Maximum bearing preload

VSP min

0 mm Min. bearing preload

Fr zul

151,000 N Max. radial friction locking of the screws