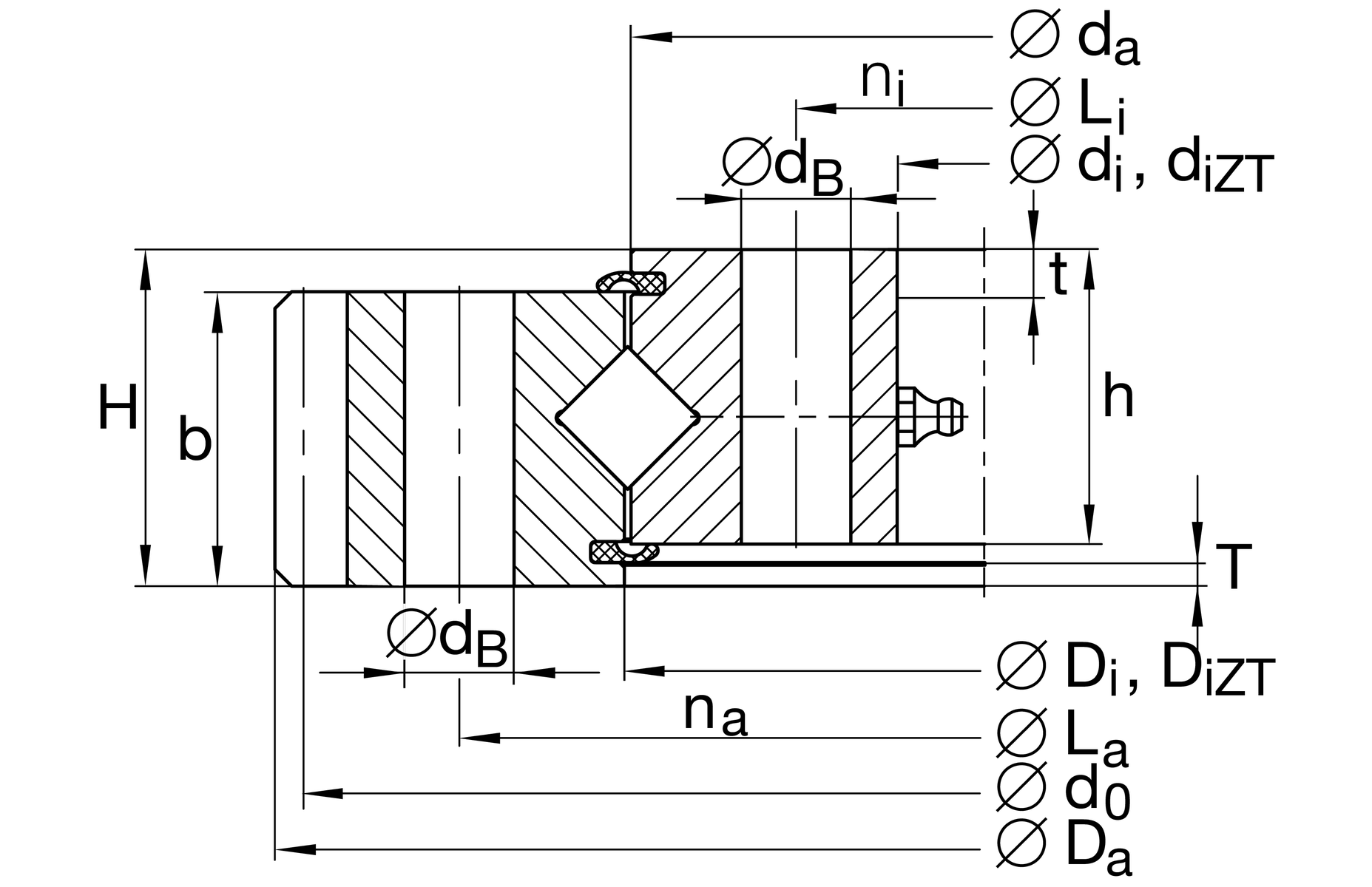
Main Dimensions & Performance Data

d

171 mm

D

318.8 mm

B

40 mm

Mounting dimensions

Di

236 mm Inner diameter outer ring

ha

35 mm Width outer ring

La

275 mm Pitchcircle diameter fixing holes outer ring

na

12 Number of fixing holes in outer ring

b

35 mm Width gearing ,m 4 mm Modul of gearing

z

78 Number of teeth

d0

312 mm Pitch circle diameter gearing

Fz norm

11,000 N Max. tooth force root fatigue strenght (at a shock factor of 1,2)

Fz max

16,100 N Max. tooth force against tooth fracture (at a shock factor of 1,35)

da

234 mm Outside diameter inner ring

0.2 mm Outside diameter inner ring upper tolerance

-0.2 mm Outside diameter inner ring lower tolerance

h

35 mm height of individual ring

dB

13 mm Fixing bore

Li

195 mm Pitchcircle diameter fixing holes inner ring

ni

12 Number of fixing holes in inner ring

Temperature range

T min

-30 °C Minimum operating temperature

T max

80 °C Maximum operating temperature

Calculation coefficient

Ca

129,000 N Basic dynamic load rating, axial

C0a

280,000 N Basic static load rating, axial ,

Cr

92,000 N Basic dynamic load rating, radial (for radial load only)

C0r

138,000 N Basic static load rating, radial (for radial load only)

VSP max

0.02 mm Maximum bearing preload

VSP min

0 mm Min. bearing preload

Fr zul

6,300 N Max. radial friction locking of the screws